Республика Беларусь,
г. Минск, ул. Селицкого 21к - центральный склад
Пн-пт с 8:00 до 17:00
Меню
220057 Винт М4-6нх22 ОСТ 37001.12775 МАЗ ОАО
Наименование: Винт М4-6нх22 ОСТ 37001.12775 МАЗ ОАО
Каталожный номер: 220057
Код товара: 220057
Доставка: по всей Беларуси
Остаток: под заказ 1-45 дней

Нашли не точность в описании товара? сообщить администратору.

+375 (44) 770-80-78 +375 (29) 747-80-78
* Выставить счет, получить техническую информацию и стоимость
Заказать деталь Онлайн
Описание
Наличие на филиалах
Применяемость
Заменить на СТО

220057 Винт М4-6нх22 ОСТ 37001.12775.

  • Производитель: МАЗ ОАО
  • Каталожный номер по заводу: 220057
  • Код для заказа:  220057
Марка Модель Кат.номер Наим. по каталогу Чертеж
МАЗ МАЗ-500А 220057-П15 Винт опоры стяжной Топливный насос высокого давления Чертеж Топливный насос высокого давления
МАЗ МАЗ-503А 220057-П15 Винт опоры стяжной Топливный насос высокого давления Чертеж Топливный насос высокого давления
МАЗ МАЗ-504А 220057-П15 Винт опоры стяжной Топливный насос высокого давления Чертеж Топливный насос высокого давления
МАЗ МАЗ-537 220057-П29 Винт Генератор спецоборудования и его установка Чертеж Генератор спецоборудования и его установка
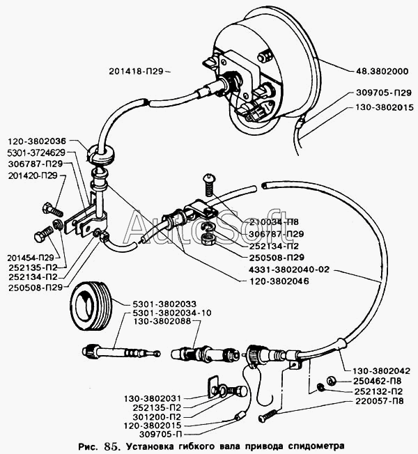
ЗИЛ ЗИЛ-431410 Каталог 1989 г. (1989) 220057-П8 Винт Установка гибкого вала спидометра Чертеж Установка гибкого вала спидометра
ЗИЛ ЗИЛ-131 220057-П8 Винт Установка гибкого вала спидометра
ЗИЛ ЗИЛ-5301 (2000) 220057-П8 Винт Установка гибкого вала привода спидометра Чертеж Установка гибкого вала привода спидометра
ЗИЛ ЗИЛ-3250 (2000) 220057-П8 Винт Установка гибкого вала привода спидометра
ЗИЛ ЗИС-110 220057-П2 Винт стяжной противовеса заслонки подогрева Двигатель Чертеж Двигатель
ЗИЛ ЗИЛ-433100 (Каталог 2003 года) 220057-П8 Винт Установка гибкого вала и привода спидометра Чертеж Установка гибкого вала и привода спидометра
ЗИЛ ЗИЛ-5301 (2006) (2006) 220057-П8 Винт Установка гибкого вала привода спидометра
ЗИЛ ЗИЛ-5301 (2006) (2006) 220057 Винт с полукруглой головкой (d=М4, S=7,0, H=2,8, L=22±0,65, l0=22) №2
КрАЗ КрАЗ-255 220057-П29 Винт М4х22 Крыло переднее и подножка Чертеж Крыло переднее и подножка
КрАЗ КрАЗ-256 220057-П29 Винт М4х22 Крыло переднее и подножка Чертеж Крыло переднее и подножка
КрАЗ КрАЗ-256 220057-П29 Винт М4х22 Коробка раздаточная (картеры и крышки) Чертеж Коробка раздаточная (картеры и крышки)
КрАЗ КрАЗ-250 220057-П29 Винт М4х22 Приборы световые передние (фары) Чертеж Приборы световые передние (фары)
КрАЗ КрАЗ-65055 220057-П29 Винт М4х22 Кабина в сборе и крепление кабины
ПТЗ К-700 220057-П15 Винт опоры стяжной Топливный насос высокого давления Чертеж Топливный насос высокого давления
АМАЗ МАЗ-256 220057 Винт М4-6gх22 Установка пневмоаппаратуры 256100-6100011 Чертеж Установка пневмоаппаратуры 256100-6100011
АМАЗ МАЗ-203 (2007) 220057 Винт М4-6gх22 Привод дверей
Товары из этой категории
Сетчатый фильтр мочевины  JAC, Китай 1044437FE010
Сетчатый фильтр мочевины JAC, Китай
Каталожный номер 1044437FE010
Производитель
Код 1044437FE010
Доставка по всей Беларуси
Остаток Под заказ
Крышка  ОЗАА,Осиповичи 6303-2918118
Крышка ОЗАА,Осиповичи
Каталожный номер 6303-2918118
Производитель
Код 63032918118
Доставка по всей Беларуси
Остаток Под заказ
Синхронизатор, Силовые Агрегаты — группа ГАЗ, Ярославль 236-1308090
Синхронизатор, Силовые Агрегаты — группа ГАЗ, Ярославль
Каталожный номер 236-1308090
Производитель СпецМаш СпецМаш
Код 336
Доставка по всей Беларуси
Остаток: г.Минск, ул.Селицкого 21к Под заказ
Склад Адрес Контакт Остатки
г. Минск ул. Селицкого, 21к +375 (44) 770-80-78 ( Много )
Схема проезда
г. Бобруйск ул. Орловского, 22к3 +375 (29) 345-37-07 ( Мало )
Схема проезда
г. Борисов ул. Демина, 2а +375 (44) 560-99-75 ( Мало )
Схема проезда
г. Витебск ул. Правды, 33 +375 (44) 770-80-87 ( Мало )
Схема проезда
г. Глубокое ул. Энгельса, 22 +375 (44) 505-71-40 ( Мало )
Схема проезда
г. Гомель ул. Барыкина, 291Б +375 (44) 514-15-30 ( Мало )
Схема проезда
г. Дрогичин ул. Юбилейная, 42 +375 (29) 682-17-13 ( Мало )
Схема проезда
г. Дятлово ул. Советская ,104 +375 (29) 187-87-37 ( Мало )
Схема проезда
г. Ивацевичи ул. Загородная, 6А +375 (29) 188-59-01 ( Средне )
Схема проезда
г. Кобрин ул. Пролетарская, 177А +375 (44) 588-10-80 ( Мало )
Схема проезда
г. Лельчицы ул. Советская, д.96/1 +375 (29) 346-98-96 ( Мало )
Схема проезда
г. Лепель ул. Лобанка, 43 +375 (44) 778-65-21 ( Мало )
Схема проезда
г. Молодечно ул. Галицкого, 14 +375 (44) 567-28-47 ( Мало )
Схема проезда
г. Несвиж ул. Кутузова, 2 +375 (29) 394-82-48 ( Мало )
Схема проезда
г. Новогрудок ул. Индустриальная, 3 +375 (44) 729-39-19 ( Мало )
Схема проезда
г. Осиповичи ул. Короткая, 11 +375 (29) 165-60-07 ( Мало )
Схема проезда
г. Ошмяны ул. Льнозоводская 3 +375 (44) 770-80-91 ( Мало )
Схема проезда
г. Полоцк-2 ул. Шенягина, 52 +375 (29) 302-94-73 ( Мало )
Схема проезда
г. Поставы ул. Советская, 69 +375 (44) 770-80-13 ( Мало )
Схема проезда
г. Пружаны ул. Макаренко, 21 +375 (29) 348-83-18 ( Мало )
Схема проезда
г. Слоним ул. Советская, 93а +375 (29) 394-82-01 ( Мало )
Схема проезда
г. Сморгонь ул. Железнодорожная, 32 +375 (29) 671-02-10 ( Мало )
Схема проезда
г. Солигорск Чижевичский сельсовет, 3Г +375 (29) 899-58-52 ( Мало )
Схема проезда
Гайка М8х1-6н ОСТ 37.001.124-75  МАЗ ОАО 250511
Гайка М8х1-6н ОСТ 37.001.124-75 МАЗ ОАО
Каталожный номер 250511
Производитель
Код 250511
Доставка по всей Беларуси
Остаток Под заказ
Стремянка  МАЗ ОАО 4370-2902408
Стремянка МАЗ ОАО
Каталожный номер 4370-2902408
Производитель
Код 43702902408
Доставка по всей Беларуси
Остаток Под заказ