Республика Беларусь,
г. Минск, ул. Селицкого 21к - центральный склад
Пн-пт с 8:00 до 17:00
Меню
205155 Болт МАЗ ОАО
Наименование: Болт МАЗ ОАО
Каталожный номер: 205155
Код товара: 205155
Доставка: по всей Беларуси
Остаток: под заказ 1-45 дней

Нашли не точность в описании товара? сообщить администратору.

+375 (44) 770-80-78 +375 (29) 747-80-78
* Выставить счет, получить техническую информацию и стоимость
Заказать деталь Онлайн
Описание
Наличие на филиалах
Применяемость
Заменить на СТО

205155 Болт.

  • Производитель: МАЗ ОАО
  • Каталожный номер по заводу: 205155
  • Код для заказа:  205155
Марка Модель Кат.номер Наим. по каталогу Чертеж
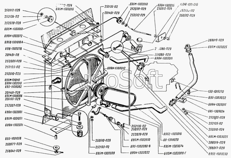
ЛАЗ ЛАЗ 699Р 205155-П29 Болт Система охлаждения Чертеж Система охлаждения
МАЗ МАЗ-5516А5 (2007) 205155 Болт 2М12х1,25-6gх60 Установка системы охлаждения 5432А5-1300005, 5432А5-1300005-010 Чертеж Установка системы охлаждения 5432А5-1300005, 5432А5-1300005-010
МАЗ МАЗ-6430A8 (5440A8, 5440A5) (2008) 205155 Болт 2М12х1,25-6gх60 Установка системы охлаждения 5440A8-1300005, (-010) Чертеж Установка системы охлаждения 5440A8-1300005, (-010)
МАЗ МАЗ-6430A8 (5440A8, 5440A5) (2008) 205155 Болт 2М12х1,25-6gх60 Установка системы охлаждения 6401A5-1300005, (-010), (-710)
МАЗ МАЗ-555142 (2007) 205155 Болт 2М12х1,25-6gх60 Установка системы охлаждения 555142-1300005 Чертеж Установка системы охлаждения 555142-1300005
МАЗ МАЗ-551605 (2007) 205155 Болт 2М12х1,25-6gх60 Установка системы охлаждения
МАЗ МАЗ-533731 (2009) 205155 Болт 2М12х1,25-6gх60 Установка системы охлаждения Чертеж Установка системы охлаждения
МАЗ МАЗ-6422, 5432 (2007) 205155 Болт 2М12х1,25-6gх60 Установка системы охлаждения
МАЗ МАЗ-6422, 5432 (2007) 205155 Болт 2М12х1,25-6gх60 Установка системы охлаждения Чертеж Установка системы охлаждения
МАЗ МАЗ-6303A3, 6303A5 (2007) 205155 Болт 2М12х1,25-6gх60 Установка системы охлаждения Чертеж Установка системы охлаждения
МАЗ МАЗ-555102, 5551А2 (2007) 205155 Болт 2М12х1,25-6gх60 Установка системы охлаждения 533602-1300005 (-010) Чертеж Установка системы охлаждения 533602-1300005 (-010)
МАЗ МАЗ-555102, 5551А2 (2007) 205155 Болт 2М12х1,25-6gх60 Установка системы охлаждения 5551A2-1300005-010 Чертеж Установка системы охлаждения 5551A2-1300005-010
МАЗ МАЗ-651705 (2009) 205155 Болт 2М12х1,25-6gх60 Установка системы охлаждения 551605-1300005-010 Чертеж Установка системы охлаждения 551605-1300005-010
МАЗ МАЗ-5440B9, 6430B9 (2013) 205155 Болт 2М12х1,25-6gх60 Установка системы охлаждения 5440B9-1300005 Чертеж Установка системы охлаждения 5440B9-1300005
МАЗ МАЗ-5440B9, 6430B9 (2013) 205155 Болт 2М12х1,25-6gх60 Установка системы охлаждения 5440B9-1300005-001 Чертеж Установка системы охлаждения 5440B9-1300005-001
МАЗ МАЗ-642505, 642508 (2006) 205155 Болт 2М12х1,25-6gх60 Установка системы охлаждения 641708-1300005-010
МАЗ МАЗ-642505, 642508 (2006) 205155 Болт 2М12х1,25-6gх60 Установка системы охлаждения 642290-1300005-020
МАЗ МАЗ-650108 (2008) 205155 Болт 2М12х1,25-6gх60 Установка системы охлаждения Чертеж Установка системы охлаждения
МАЗ МАЗ-530905 (2009) 205155 Болт 2М12х1,25-6gх60 Установка системы охлаждения 530905-1300005, (-010) Чертеж Установка системы охлаждения 530905-1300005, (-010)
МАЗ МАЗ-631705 (2010) 205155 Болт 2М12х1,25-6gх60 Установка системы охлаждения 642290-1300005-010 Чертеж Установка системы охлаждения 642290-1300005-010
Товары из этой категории
Шайба регулировочная  МАЗ ОАО 6430-2502101
Шайба регулировочная МАЗ ОАО
Каталожный номер 6430-2502101
Производитель
Код 64302502101
Доставка по всей Беларуси
Остаток Под заказ
Болт центровой  МАЗ ОАО 5440-2913032
Болт центровой МАЗ ОАО
Каталожный номер 5440-2913032
Производитель
Код 54402913032
Доставка по всей Беларуси
Остаток Под заказ
Труба приемная  МАЗ ОАО 64221-1203009-01
Труба приемная МАЗ ОАО
Каталожный номер 64221-1203009-01
Производитель
Код 64221120300901
Доставка по всей Беларуси
Остаток Под заказ
Болт М12х1,25-6дх20 ОСТ37.001.123-96  МАЗ ОАО 371708
Болт М12х1,25-6дх20 ОСТ37.001.123-96 МАЗ ОАО
Каталожный номер 371708
Производитель
Код 371708
Доставка по всей Беларуси
Остаток Под заказ
Фонарь указателя поворота задний  МАЗ ОАО, УВК РАУС 4.3726010
Фонарь указателя поворота задний МАЗ ОАО, УВК
Каталожный номер РАУС 4.3726010
Производитель
Код РАУС43726010
Доставка по всей Беларуси
Остаток Под заказ