Республика Беларусь,
г. Минск, ул. Селицкого 21к - центральный склад
Пн-пт с 8:00 до 17:00
Меню
202145 Болт М16х1.5-6дх45 ОСТ 37.001.123-96 МАЗ ОАО
Наименование: Болт М16х1.5-6дх45 ОСТ 37.001.123-96 МАЗ ОАО
Каталожный номер: 202145
Код товара: 202145
Доставка: по всей Беларуси
Остаток: под заказ 1-45 дней

Нашли не точность в описании товара? сообщить администратору.

+375 (44) 770-80-78 +375 (29) 747-80-78
* Выставить счет, получить техническую информацию и стоимость
Заказать деталь Онлайн
Описание
Наличие на филиалах
Применяемость
Заменить на СТО

202145 Болт М16х1.5-6дх45 ОСТ 37.001.123-96.

  • Производитель: МАЗ ОАО
  • Каталожный номер по заводу: 202145
  • Код для заказа:  202145
Марка Модель Кат.номер Наим. по каталогу Чертеж
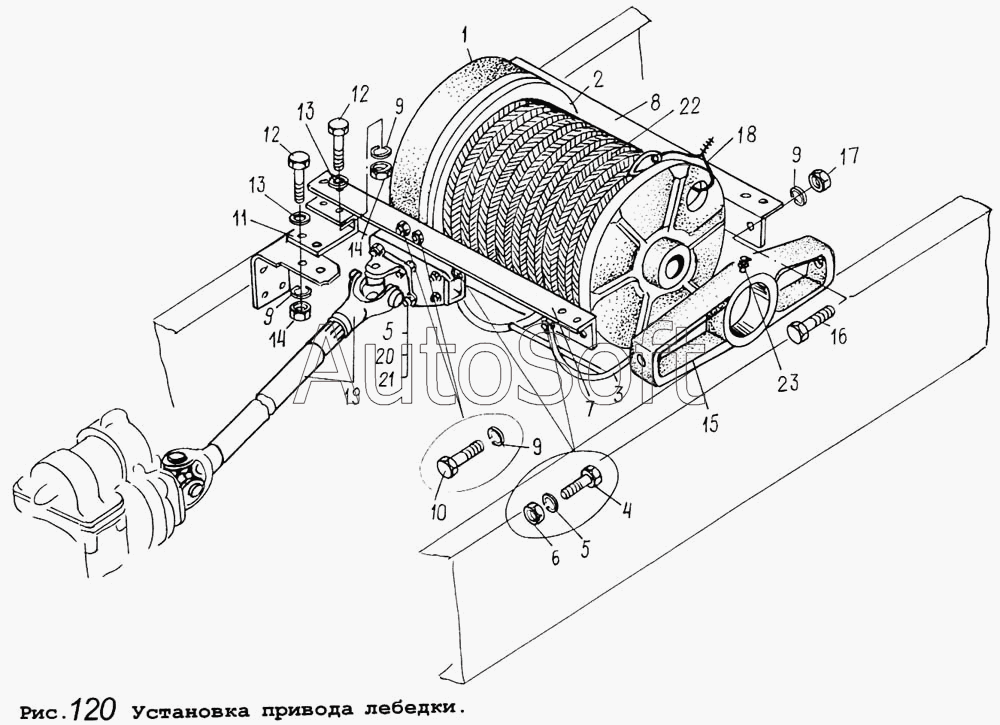
МАЗ МАЗ-5434 202145 Болт М16х1,5-6gх45 Установка привода лебедки Чертеж Установка привода лебедки
МАЗ МАЗ-6317 202145 Болт М16х1,5-6gх45 Установка привода лебедки Чертеж Установка привода лебедки
МАЗ МАЗ-64255 202145 Болт М16х1,5-6gх45 Установка привода лебедки Чертеж Установка привода лебедки
МАЗ МАЗ-643068 (2003) 202145 Болт М16х1,5-6gх45 Привод тормозного механизма задних колес Чертеж Привод тормозного механизма задних колес
КрАЗ КрАЗ-255 202145-П29 Болт М16х1,5х45 Баки топливные Чертеж Баки топливные
КрАЗ КрАЗ-255 202145-П29 Болт М16х1,5х45 Рама Чертеж Рама
КрАЗ КрАЗ-255 202145-П29 Болт М16х1,5х45 Балансиры задней подвески
КрАЗ КрАЗ-255 202145-П29 Болт М16х1,5х45 Цилиндр силовой гидроусилителя рулевого управления
КрАЗ КрАЗ-255 202145-П29 Болт М16х1,5х45 Тормоза рабочие задние
КрАЗ КрАЗ-256 202145-П29 Болт М16х1,5х45 Бак топливный и топливопроводы автомобиля КрАЗ-256Б1 Чертеж Бак топливный и топливопроводы автомобиля КрАЗ-256Б1
КрАЗ КрАЗ-256 202145-П29 Болт М16х1,5х45 Баки топливные и топливопроводы автомобилей КрАЗ-257Б1, КрАЗ-258Б1 Чертеж Баки топливные и топливопроводы автомобилей КрАЗ-257Б1, КрАЗ-258Б1
КрАЗ КрАЗ-256 202145-П29 Болт М16х1,5х45 Рама
КрАЗ КрАЗ-256 202145-П29 Болт М16х1,5х45 Цилиндр силовой усилителя рулевого привода Чертеж Цилиндр силовой усилителя рулевого привода
КрАЗ КрАЗ-256 202145-П29 Болт М16х1,5х45 Механизмы тормозные задние
КрАЗ КрАЗ-256 202145-П29 Болт М16х1,5х45 Устройство седельное в сборе, механизм сцепной Чертеж Устройство седельное в сборе, механизм сцепной
КрАЗ КрАЗ-250 202145-П29 Болт М16х1,5х45 Подогреватель предпусковой
КрАЗ КрАЗ-250 202145-П29 Болт М16х1,5х45 Баки топливные Чертеж Баки топливные
КрАЗ КрАЗ-250 202145-П29 Болт М16х1,5х45 Рама
КрАЗ КрАЗ-250 202145-П29 Болт М16х1,5х45 Амортизатор
КрАЗ КрАЗ-250 202145-П29 Болт М16х1,5х45 Установка рулевого управления Чертеж Установка рулевого управления
Аналоги
Болт М16х1.5-6пх45 202145 МАЗ 202145
Болт М16х1.5-6пх45 202145 МАЗ
Каталожный номер 202145
Производитель МАЗ МАЗ
Код 00-ГР040586
Доставка по всей Беларуси
Доступность остатки на филиалах Остатки на филиалах
Остаток Под заказ
Товары из этой категории
Держатель передний правый  МАЗ ОАО 4370-8403028
Держатель передний правый МАЗ ОАО
Каталожный номер 4370-8403028
Производитель
Код 43708403028
Доставка по всей Беларуси
Остаток Под заказ
Рессора задняя  МАЗ ОАО 5550-2912012-010
Рессора задняя МАЗ ОАО
Каталожный номер 5550-2912012-010
Производитель
Код 55502912012010
Доставка по всей Беларуси
Остаток Под заказ
Кронштейн  ограничителя  МАЗ ОАО 5336-6106086
Кронштейн ограничителя МАЗ ОАО
Каталожный номер 5336-6106086
Производитель
Код 53366106086
Доставка по всей Беларуси
Остаток Под заказ
Труба выхлопная  МАЗ ОАО 105-1203178-60
Труба выхлопная МАЗ ОАО
Каталожный номер 105-1203178-60
Производитель
Код 105120317860
Доставка по всей Беларуси
Остаток Под заказ
Ниппель  МАЗ ОАО 402405
Ниппель МАЗ ОАО
Каталожный номер 402405
Производитель
Код 402405
Доставка по всей Беларуси
Остаток Под заказ