Республика Беларусь,
г. Минск, ул. Селицкого 21к - центральный склад
Пн-пт с 8:00 до 17:00
Меню
202124 Болт М16-6нх55 ОСТ 3700112375 МАЗ ОАО
Наименование: Болт М16-6нх55 ОСТ 3700112375 МАЗ ОАО
Каталожный номер: 202124
Код товара: 202124
Доставка: по всей Беларуси
Остаток: под заказ 1-45 дней

Нашли не точность в описании товара? сообщить администратору.

+375 (44) 770-80-78 +375 (29) 747-80-78
* Выставить счет, получить техническую информацию и стоимость
Заказать деталь Онлайн
Описание
Наличие на филиалах
Применяемость
Заменить на СТО

202124 Болт М16-6нх55 ОСТ 3700112375.

  • Производитель: МАЗ ОАО
  • Каталожный номер по заводу: 202124
  • Код для заказа:  202124
Марка Модель Кат.номер Наим. по каталогу Чертеж
КрАЗ КрАЗ-255 202124-П29 Болт М16х2х38 Крыло переднее и подножка Чертеж Крыло переднее и подножка
КрАЗ КрАЗ-256 202124-П29 Болт М16х2х38 Крыло переднее и подножка Чертеж Крыло переднее и подножка
КрАЗ КрАЗ-6510 (1993) 202124-П29 Болт М16х2х38 Подвеска раздаточной коробки
КрАЗ КрАЗ-65055 202124-П29 Болт М16х2х38 Платформа автомобилей краз-65053, краз-650531 Чертеж Платформа автомобилей краз-65053, краз-650531
КрАЗ КрАЗ-65055-02 (2008) 202124 Болт М6х55 Платформа автомобиля КрАЗ-65053 Чертеж Платформа автомобиля КрАЗ-65053
МАЗ МАЗ-543202 (2003) 202124 Болт М16-6gх55 Система питания воздухом МАЗ-551605
МАЗ МАЗ-543202 (2003) 202124 Болт М16-6gх55 Система питания воздухом МАЗ-551603 Чертеж Система питания воздухом МАЗ-551603
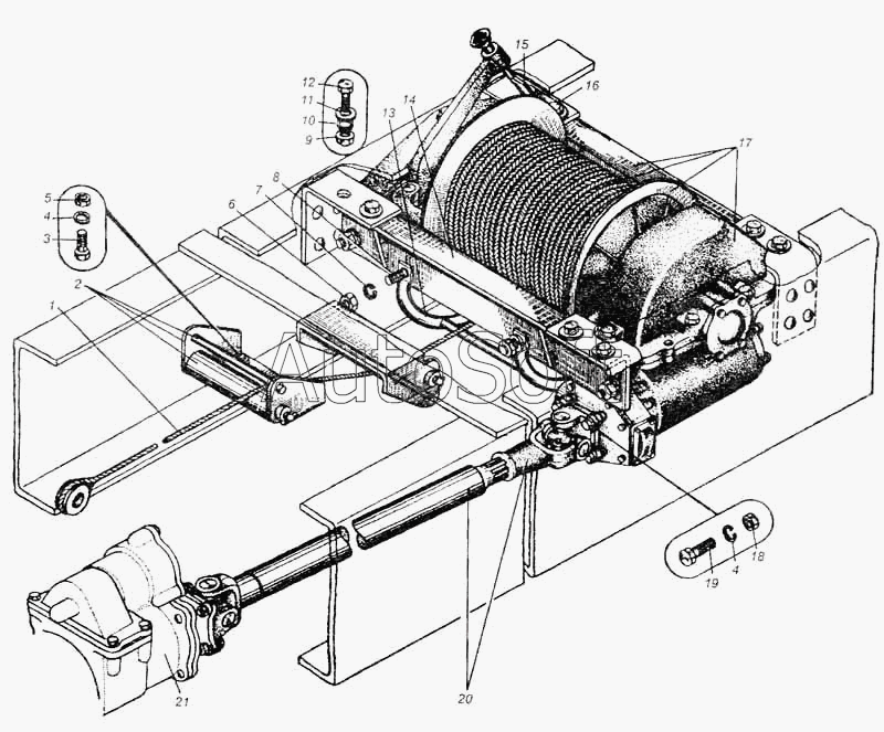
МАЗ МАЗ-5335 (2004) 202124-П29 Болт крепления пластины Лебедка, вал карданный лебедки автомобиля МАЗ-509А Чертеж Лебедка, вал карданный лебедки автомобиля МАЗ-509А
МАЗ МАЗ-5336 (2005) 202124 Болт М16-6gх55 Система питания воздухом МАЗ-630303 с малой кабиной Чертеж Система питания воздухом МАЗ-630303 с малой кабиной
МАЗ МАЗ-5336 (2005) 202124 Болт М16-6gх55 Система питания воздухом МАЗ-630305 с малой кабиной
МАЗ МАЗ-6422 (2003) 202124 Болт М16-6gх55 Система питания воздухом МАЗ-551605 Чертеж Система питания воздухом МАЗ-551605
МАЗ МАЗ-6422 (2003) 202124 Болт М16-6gх55 Система питания воздухом МАЗ-551603
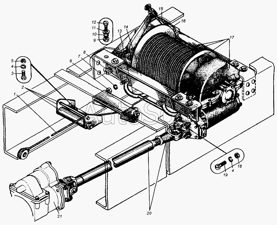
МАЗ МАЗ-504В (2005) 202124-П29 Болт крепления пластины Лебедка, вал карданный лебедки МАЗ-509А Чертеж Лебедка, вал карданный лебедки МАЗ-509А
МАЗ МАЗ-6303 (2005) (2005) 202124 Болт М16-6gх55 Система питания воздухом МАЗ-630303 с малой кабиной
МАЗ МАЗ-6303 (2005) (2005) 202124 Болт М16-6gх55 Система питания воздухом МАЗ-630305 с малой кабиной
МАЗ МАЗ-5551 (2003) (2003) 202124 Болт М16-6gх55 Система питания воздухом МАЗ-551605 Чертеж Система питания воздухом МАЗ-551605
МАЗ МАЗ-5551 (2003) (2003) 202124 Болт М16-6gх55 Система питания воздухом МАЗ-551603
МАЗ МАЗ-5337 (2005) (2005) 202124 Болт М16-6gх55 Система питания воздухом МАЗ-630303 с малой кабиной Чертеж Система питания воздухом МАЗ-630303 с малой кабиной
МАЗ МАЗ-5337 (2005) (2005) 202124 Болт М16-6gх55 Система питания воздухом МАЗ-630305 с малой кабиной Чертеж Система питания воздухом МАЗ-630305 с малой кабиной
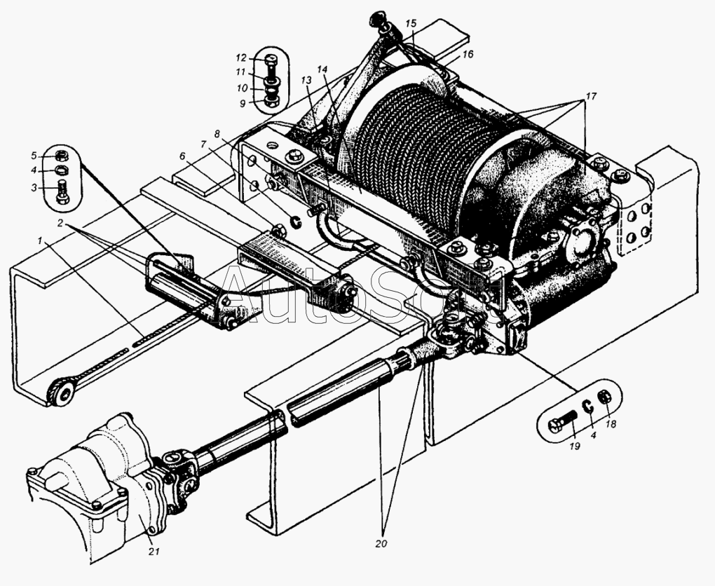
МАЗ МАЗ-5429 (2003) 202124-П29 Болт крепления пластины Лебедка, вал карданный лебедки МАЗ-509А Чертеж Лебедка, вал карданный лебедки МАЗ-509А
Товары из этой категории
Петля  МАЗ ОАО, УВК 6430-6106012-001
Петля МАЗ ОАО, УВК
Каталожный номер 6430-6106012-001
Производитель
Код 64306106012001
Доставка по всей Беларуси
Остаток Под заказ
Устройство седельное  ТАИМ,Бобруйск 64221-2702010-01
Устройство седельное ТАИМ,Бобруйск
Каталожный номер 64221-2702010-01
Производитель
Код 64221270201001
Доставка по всей Беларуси
Остаток Под заказ
Шайба регулировочная  МАЗ ОАО 6422-2502102-010
Шайба регулировочная МАЗ ОАО
Каталожный номер 6422-2502102-010
Производитель
Код 64222502102010
Доставка по всей Беларуси
Остаток Под заказ
Болт М10-6дх30  МАЗ ОАО 210406-10
Болт М10-6дх30 МАЗ ОАО
Каталожный номер 210406-10
Производитель
Код 21040610
Доставка по всей Беларуси
Остаток Под заказ
Кольцо стопорное  МАЗ ОАО 54321-2916032
Кольцо стопорное МАЗ ОАО
Каталожный номер 54321-2916032
Производитель
Код 543212916032
Доставка по всей Беларуси
Остаток Под заказ