Республика Беларусь,
г. Минск, ул. Селицкого 21к - центральный склад
Пн-пт с 8:00 до 17:00
Меню
202119 Болт М16-6нх40 ОСТ 3700112375 МАЗ ОАО
Наименование: Болт М16-6нх40 ОСТ 3700112375 МАЗ ОАО
Каталожный номер: 202119
Код товара: 202119
Доставка: по всей Беларуси
Остаток: под заказ 1-45 дней

Нашли не точность в описании товара? сообщить администратору.

+375 (44) 770-80-78 +375 (29) 747-80-78
* Выставить счет, получить техническую информацию и стоимость
Заказать деталь Онлайн
Описание
Наличие на филиалах
Применяемость
Заменить на СТО

202119 Болт М16-6нх40 ОСТ 3700112375.

  • Производитель: МАЗ ОАО
  • Каталожный номер по заводу: 202119
  • Код для заказа:  202119
Марка Модель Кат.номер Наим. по каталогу Чертеж
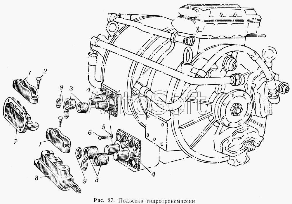
МАЗ МАЗ-537 202119-П2 Болт Подвеска гидротрансмиссии Чертеж Подвеска гидротрансмиссии
МАЗ МАЗ-537 202119-П2 Болт Рама автомобиля МАЗ-537А Чертеж Рама автомобиля МАЗ-537А
МАЗ МАЗ-537 202119-П2 Болт Рулевые тяги и поворотные рычаги Чертеж Рулевые тяги и поворотные рычаги
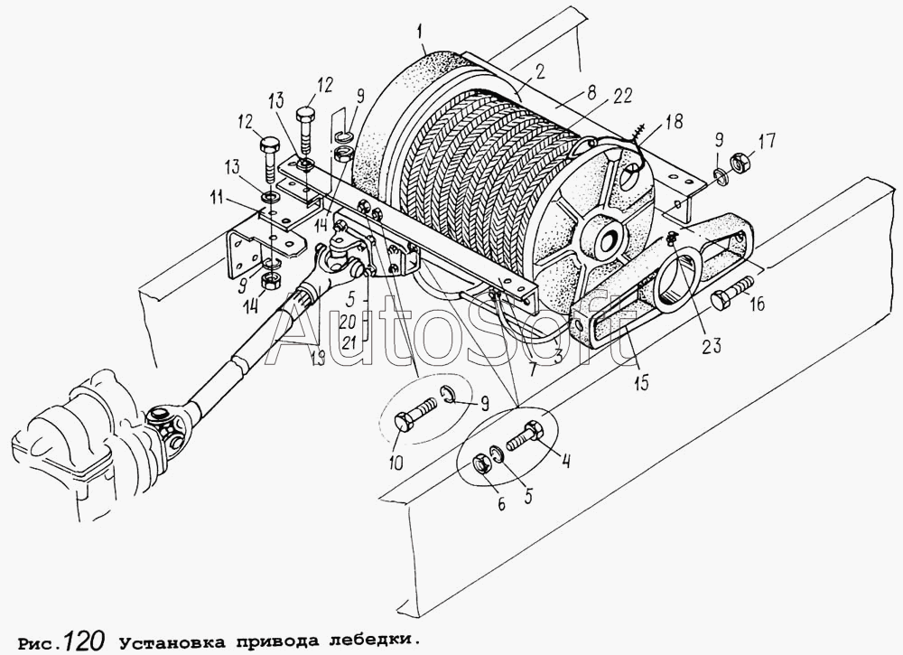
МАЗ МАЗ-537 202119-П2 Болт Установка лебедки автомобиля МАЗ-537Г Чертеж Установка лебедки автомобиля МАЗ-537Г
МАЗ МАЗ-53363 202119 Болт Рама
МАЗ МАЗ-53366 202119 Болт Рама Чертеж Рама
МАЗ МАЗ-5337 202119 Болт Рама МАЗ-53371,5337 Чертеж Рама МАЗ-53371,5337
МАЗ МАЗ-53371 202119 Болт Рама МАЗ-53371,5337
МАЗ МАЗ-54321 202119 Болт Мост задний. Редуктор с картером моста
МАЗ МАЗ-54321 202119 Болт Мост средний. Редуктор с картером моста
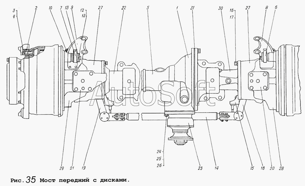
МАЗ МАЗ-5434 202119 Болт Мост передний с дисками Чертеж Мост передний с дисками
МАЗ МАЗ-5434 202119 Болт Установка привода лебедки Чертеж Установка привода лебедки
МАЗ МАЗ-5551 202119 Болт Рама МАЗ-5551 Чертеж Рама МАЗ-5551
МАЗ МАЗ-6303 (2000) 202119 Болт Рама Чертеж Рама
МАЗ МАЗ-6317 202119 Болт Крепление двигателя Чертеж Крепление двигателя
МАЗ МАЗ-6317 202119 Болт Мост передний с дисками
МАЗ МАЗ-6317 202119 Болт Мост задний. Редуктор с картером моста Чертеж Мост задний. Редуктор с картером моста
МАЗ МАЗ-6317 202119 Болт Мост средний. Редуктор с картером моста
МАЗ МАЗ-6317 202119 Болт Крепление ресиверов Чертеж Крепление ресиверов
МАЗ МАЗ-6317 202119 Болт Установка привода лебедки Чертеж Установка привода лебедки
Аналоги
Болт M16-6gX40 202119 МАЗ 202119
Болт M16-6gX40 202119 МАЗ
Каталожный номер 202119
Производитель МАЗ МАЗ
Код 00-ГР042861
Доставка по всей Беларуси
Доступность остатки на филиалах Остатки на филиалах
Остаток Под заказ
Товары из этой категории
Коробка отбора мощности  ТАИМ,Бобруйск 503-4202010Б
Коробка отбора мощности ТАИМ,Бобруйск
Каталожный номер 503-4202010Б
Производитель
Код 5034202010Б
Доставка по всей Беларуси
Остаток Под заказ
Винт М4-6дх14 ОСТ 37001.12775  МАЗ ОАО 220053
Винт М4-6дх14 ОСТ 37001.12775 МАЗ ОАО
Каталожный номер 220053
Производитель
Код 220053
Доставка по всей Беларуси
Остаток Под заказ
Лист 2  МАЗ ОАО 8571-2912102
Лист 2 МАЗ ОАО
Каталожный номер 8571-2912102
Производитель
Код 85712912102
Доставка по всей Беларуси
Остаток Под заказ
Рессора передняя 642208-2902012-001
Рессора передняя
Каталожный номер 642208-2902012-001
Производитель
Код 6422082902012001
Доставка по всей Беларуси
Остаток Под заказ
Чашка с маслоуловителями  МАЗ ОАО 103Т-2403015
Чашка с маслоуловителями МАЗ ОАО
Каталожный номер 103Т-2403015
Производитель
Код 103Т2403015
Доставка по всей Беларуси
Остаток Под заказ