Республика Беларусь,
г. Минск, ул. Селицкого 21к - центральный склад
Пн-пт с 8:00 до 17:00
Меню
202117 Болт М16-6нх35 ОСТ 37.001.123-96 МАЗ ОАО
Наименование: Болт М16-6нх35 ОСТ 37.001.123-96 МАЗ ОАО
Каталожный номер: 202117
Код товара: 202117
Доставка: по всей Беларуси
Остаток: под заказ 1-45 дней

Нашли не точность в описании товара? сообщить администратору.

+375 (44) 770-80-78 +375 (29) 747-80-78
* Выставить счет, получить техническую информацию и стоимость
Заказать деталь Онлайн
Описание
Наличие на филиалах
Применяемость
Заменить на СТО

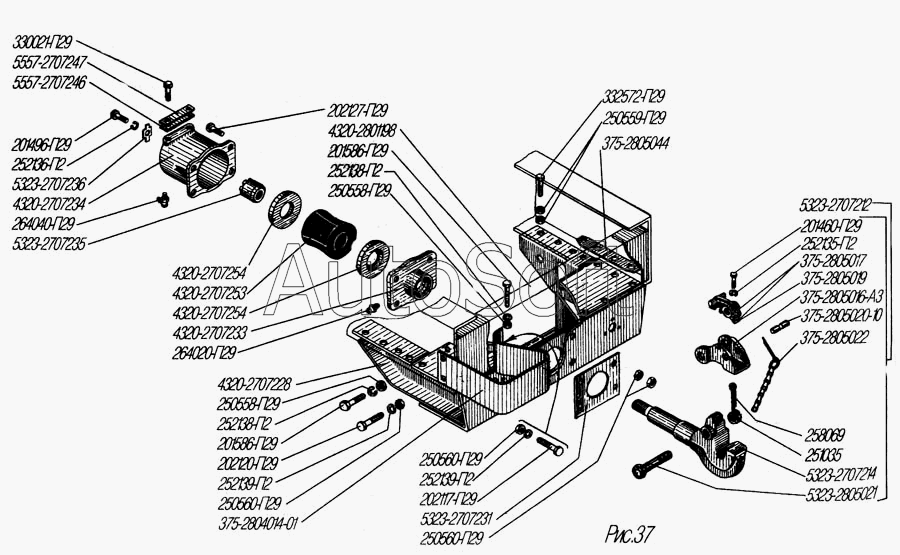
202117 Болт М16-6нх35 ОСТ 37.001.123-96.

  • Производитель: МАЗ ОАО
  • Каталожный номер по заводу: 202117
  • Код для заказа:  202117
Марка Модель Кат.номер Наим. по каталогу Чертеж
УралАЗ УРАЛ-375 202117-П29 Болт М16-6gх35 Рама автомобиля Урал-375Д (Рис. 61) Чертеж Рама автомобиля Урал-375Д (Рис. 61)
УралАЗ УРАЛ-375 202117-П29 Болт М16-6gх35 Схема электрооборудования автомобиля Урал-377 (Рис. 105) Чертеж Схема электрооборудования автомобиля Урал-377 (Рис. 105)
УралАЗ УРАЛ-375 202117-П29 Болт М16-6gх35 Седельное устройство и рама автомобиля Урал-375С (Рис. 59) Чертеж Седельное устройство и рама автомобиля Урал-375С (Рис. 59)
УралАЗ УРАЛ-4320-31 202117-П29 Болт М16-6gх35 Облицовка радиатора
УралАЗ УРАЛ-4320-31 202117-П29 Болт М16-6gх35 Буксирный прибор Чертеж Буксирный прибор
УралАЗ УРАЛ-4320-31 202117-П29 Болт М16-6gх35 Облицовка радиатора
УралАЗ УРАЛ-4320-31 202117-П29 Болт М16-6gх35 Буксирный прибор (для МО) Чертеж Буксирный прибор (для МО)
УралАЗ УРАЛ-4320-31 202117-П29 Болт М16-6gх35 Крепление трубопроводов и шлангов пневмогидравлического привода рабочих Чертеж Крепление трубопроводов и шлангов пневмогидравлического привода рабочих
УралАЗ УРАЛ-4320-41 202117-П29 Болт М16-6gх35 Облицовка радиатора
УралАЗ УРАЛ-4320-41 202117-П29 Болт М16-6gх35 Крепление трубопроводов и шлангов пневмогидравлического привода рабочих тормозов без АБС
УралАЗ УРАЛ-43203-10 202117-П29 Болт М16-6gх35 Трубопроводы и шланги гидропневматического привода рабочих тормозов Чертеж Трубопроводы и шланги гидропневматического привода рабочих тормозов
УралАЗ УРАЛ-532301 202117-П29 Болт М16-6gх35 Буксирный прибор Чертеж Буксирный прибор
УралАЗ УРАЛ-55571-40 (2010) 202117-П29 Болт М16-6gх35 Крепление трубопроводов и шлангов гидропневматического привода рабочих тормозов без АБС Чертеж Крепление трубопроводов и шлангов гидропневматического привода рабочих тормозов без АБС
УралАЗ УРАЛ-5557-40 202117-П29 Болт М16-6gх35 Крепление трубопроводов и шлангов гидропневматического привода рабочих тормозов без АБС Чертеж Крепление трубопроводов и шлангов гидропневматического привода рабочих тормозов без АБС
УралАЗ УРАЛ-4320 (1981) 202117-П29 Болт М16-6gх35 Рама автомобиля Урал-4320 Чертеж Рама автомобиля Урал-4320
АМАЗ МАЗ-103 (2005) (2005) 202117 Болт M16-6gx35 Установка силового агрегата Чертеж Установка силового агрегата
МАЗ МАЗ-74131 (1996) 202117 Болт М16-6gх35 Передача карданная трансмиссии, валы карданные Чертеж Передача карданная трансмиссии, валы карданные
МЗКТ МЗКТ-7930-200 (2005) 202117 Болт М16-6gx35 Установка карданного полуосевого вала Чертеж Установка карданного полуосевого вала
МЗКТ МЗКТ-6527 (2010) 202117 Болт М16-6gx35 Установка импульсных конденсаторов
МЗКТ МЗКТ-74296 (2010) 202117 Болт М16-6gx35 Установка валов трансмиссионных
Товары из этой категории
Втулка  МАЗ ОАО 103-1703039
Втулка МАЗ ОАО
Каталожный номер 103-1703039
Производитель
Код 1031703039
Доставка по всей Беларуси
Остаток Под заказ
Корпус буксирного прибора  БААЗ,Барановичи 5336-2707214
Корпус буксирного прибора БААЗ,Барановичи
Каталожный номер 5336-2707214
Производитель
Код 53362707214
Доставка по всей Беларуси
Остаток Под заказ
Гайка  БААЗ,Барановичи 93865-3104038
Гайка БААЗ,Барановичи
Каталожный номер 93865-3104038
Производитель
Код 938653104038
Доставка по всей Беларуси
Остаток Под заказ
Держатель  ОЗАА,Осиповичи 5336-5702052-10
Держатель ОЗАА,Осиповичи
Каталожный номер 5336-5702052-10
Производитель
Код 5336570205210
Доставка по всей Беларуси
Остаток Под заказ
Лист 1  МАЗ ОАО 8378-2912101-002
Лист 1 МАЗ ОАО
Каталожный номер 8378-2912101-002
Производитель
Код 83782912101002
Доставка по всей Беларуси
Остаток Под заказ