Республика Беларусь,
г. Минск, ул. Селицкого 21к - центральный склад
Пн-пт с 8:00 до 17:00
Меню
202115 Болт М16-6нх30 ОСТ 3700112375 МАЗ ОАО
Наименование: Болт М16-6нх30 ОСТ 3700112375 МАЗ ОАО
Каталожный номер: 202115
Код товара: 202115
Доставка: по всей Беларуси
Остаток: под заказ 1-45 дней

Нашли не точность в описании товара? сообщить администратору.

+375 (44) 770-80-78 +375 (29) 747-80-78
* Выставить счет, получить техническую информацию и стоимость
Заказать деталь Онлайн
Описание
Наличие на филиалах
Применяемость
Заменить на СТО

202115 Болт М16-6нх30 ОСТ 3700112375.

  • Производитель: МАЗ ОАО
  • Каталожный номер по заводу: 202115
  • Код для заказа:  202115
Марка Модель Кат.номер Наим. по каталогу Чертеж
МАЗ МАЗ-500А 202115-П29 Болт Каркас кабины Чертеж Каркас кабины
МАЗ МАЗ-503А 202115-П29 Болт Каркас кабины Чертеж Каркас кабины
МАЗ МАЗ-504А 202115-П29 Болт Каркас кабины Чертеж Каркас кабины
МАЗ МАЗ-437040 (Зубренок) (2002) 202115 Болт М16-6gх30 Крепление двигателя МАЗ-437040 Чертеж Крепление двигателя МАЗ-437040
МАЗ МАЗ-9008 202115 Болт М16-6gх30 Рама
МАЗ МАЗ-93892 202115 Болт М16-6gх30 Ось задняя дополнительная Чертеж Ось задняя дополнительная
БелАЗ 7522, 7540, 75401, 7523, 75231 Общий 202115 Болт Панель управления Чертеж Панель управления
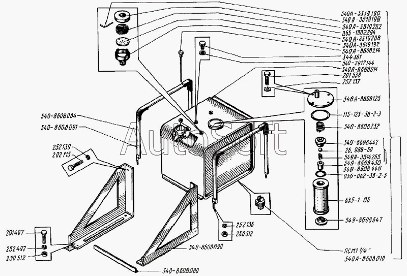
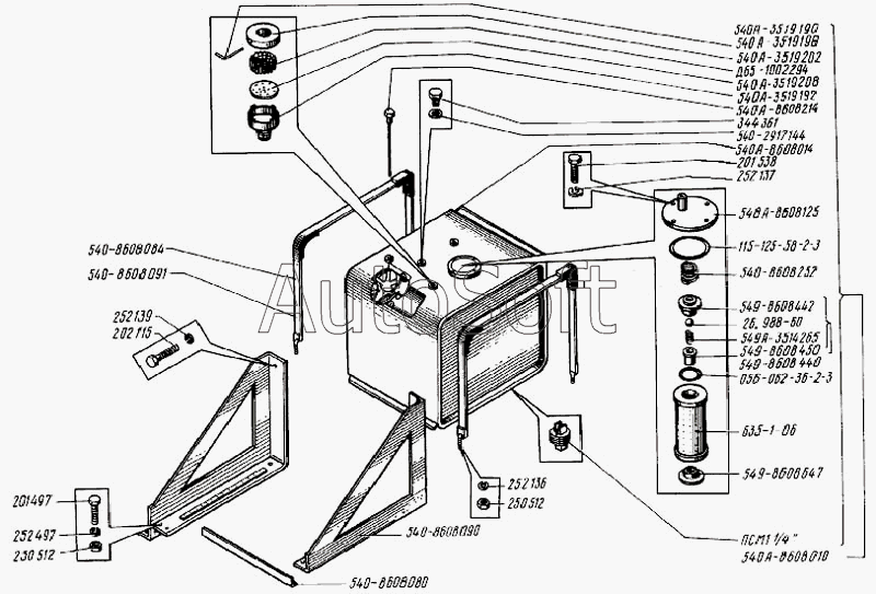
БелАЗ 7522, 7540, 75401, 7523, 75231 Общий 202115 Болт Масляный бак опрокидывающего и рулевого механизма Чертеж Масляный бак опрокидывающего и рулевого механизма
БелАЗ 7522, 7540, 75401, 7523, 75231 Общий 202115 Болт Масляный бак опрокидывающего и рулевого механизма Чертеж Масляный бак опрокидывающего и рулевого механизма
БелАЗ 7522 202115 Болт Панель управления Чертеж Панель управления
БелАЗ 7522 202115 Болт Масляный бак опрокидывающего и рулевого механизма Чертеж Масляный бак опрокидывающего и рулевого механизма
БелАЗ 7540 202115 Болт Панель управления Чертеж Панель управления
БелАЗ 75401 202115 Болт Панель управления Чертеж Панель управления
БелАЗ 7523 202115 Болт Панель управления Чертеж Панель управления
БелАЗ 7523 202115 Болт Масляный бак опрокидывающего и рулевого механизма Чертеж Масляный бак опрокидывающего и рулевого механизма
БелАЗ 75231 202115 Болт Панель управления Чертеж Панель управления
БелАЗ 75231 202115 Болт Масляный бак опрокидывающего и рулевого механизма Чертеж Масляный бак опрокидывающего и рулевого механизма
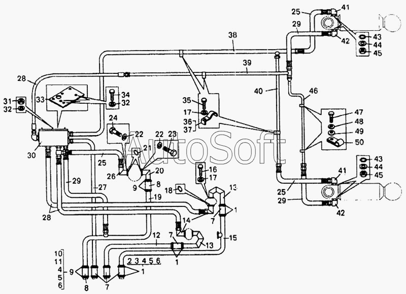
БелАЗ 7548А (2000) 202115 Болт Трубопроводы опрокидывающего механизма самосвалов БелАЗ-7548А, 75481 Чертеж Трубопроводы опрокидывающего механизма самосвалов БелАЗ-7548А, 75481
БелАЗ 7548А (2000) 202115 Болт Трубопроводы опрокидывающего механизма самосвала БелАЗ-75483 Чертеж Трубопроводы опрокидывающего механизма самосвала БелАЗ-75483
БелАЗ 7548А (2000) 202115 Болт Масляный бак опрокидывающего механизма самосвалов БелАЗ-7548А, 75481 Чертеж Масляный бак опрокидывающего механизма самосвалов БелАЗ-7548А, 75481
Товары из этой категории
Болт М16-6дх150 ОСТ 3700112275  МАЗ ОАО 200879
Болт М16-6дх150 ОСТ 3700112275 МАЗ ОАО
Каталожный номер 200879
Производитель
Код 200879
Доставка по всей Беларуси
Остаток Под заказ
Гайка  МАЗ ОАО 374830
Гайка МАЗ ОАО
Каталожный номер 374830
Производитель
Код 374830
Доставка по всей Беларуси
Остаток Под заказ
Клапан  БААЗ,Барановичи 5551-8607010
Клапан БААЗ,Барановичи
Каталожный номер 5551-8607010
Производитель
Код 55518607010
Доставка по всей Беларуси
Остаток Под заказ
Ступица (с АБС)  МАЗ ОАО 93892-3104006-10
Ступица (с АБС) МАЗ ОАО
Каталожный номер 93892-3104006-10
Производитель
Код 93892310400610
Доставка по всей Беларуси
Остаток Под заказ
Камера тормозная  ТАИМ,Бобруйск 5336-3519200
Камера тормозная ТАИМ,Бобруйск
Каталожный номер 5336-3519200
Производитель
Код 53363519200
Доставка по всей Беларуси
Остаток Под заказ