Республика Беларусь,
г. Минск, ул. Селицкого 21к - центральный склад
Пн-пт с 8:00 до 17:00
Меню
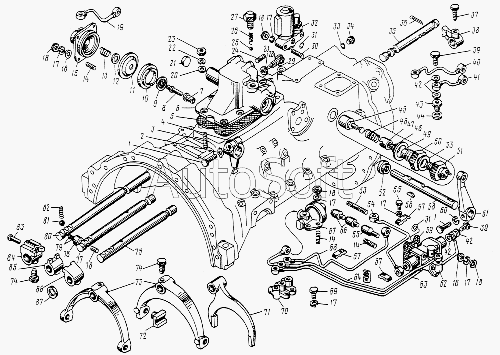
201-1702222 Рычаг переключения передач МАЗ ОАО
Наименование: Рычаг переключения передач МАЗ ОАО
Каталожный номер: 201-1702222
Код товара: 2011702222
Доставка: по всей Беларуси
Остаток: под заказ

Нашли не точность в описании товара? сообщить администратору.

+375 (44) 770-80-78 +375 (29) 747-80-78
* Выставить счет, получить техническую информацию и стоимость
Заказать деталь Онлайн
Описание
Наличие на филиалах
Применяемость
Заменить на СТО

201-1702222 Рычаг переключения передач.

  • Производитель: МАЗ ОАО
  • Каталожный номер по заводу: 201-1702222
  • Код для заказа:  2011702222
Марка Модель Кат.номер Наим. по каталогу Чертеж
МАЗ КПП МАЗ-543205-070 201.1702222 Рычаг Механизм переключения передач Чертеж Механизм переключения передач
МЗКТ МЗКТ-65158 (1999) 201-1702222 Рычаг переключения передач Механизм переключения передач 202-1702010 и опора рычага 201-1702200 Чертеж Механизм переключения передач 202-1702010 и опора рычага 201-1702200
МЗКТ МЗКТ-79092 (2005) 201-1702222 Рычаг переключения передач Детали коробки передач Чертеж Детали коробки передач
МЗКТ МЗКТ-7930-200 (2005) 201-1702222 Рычаг переключения передач Опора рычага переключения передач Чертеж Опора рычага переключения передач
МЗКТ МЗКТ-7429 (2005) 201-1702222 Рычаг переключения передач Опора рычага переключения передач 201-1702200 Чертеж Опора рычага переключения передач 201-1702200
МЗКТ МЗКТ-6527 (2010) 201-1702222 Рычаг переключения передач Механизм переключения передач и опора рычага Чертеж Механизм переключения передач и опора рычага
МЗКТ МЗКТ-65151 "Волат" (2010) 201-1702222 Рычаг переключения передач Опора рычага переключения передач 201-1702200
МЗКТ МЗКТ-652511 (2010) 201-1702222 Рычаг переключения передач Механизм переключения передач и опора рычага
МЗКТ МЗКТ-652511 (2010) 201-1702222 Рычаг переключения передач Опора 652511-1702200 Чертеж Опора 652511-1702200
ЯМЗ ЯМЗ-236 М 201.1702222 Рычаг Механизм переключения передач коробок передач 201 Чертеж Механизм переключения передач коробок передач 201
ЯМЗ ЯМЗ-238 М 201.1702222 Рычаг Механизм переключения передач коробок передач 201 Чертеж Механизм переключения передач коробок передач 201
ЯМЗ ЯМЗ-238 АМ 201.1702222 Рычаг Механизм переключения передач коробок передач 201 Чертеж Механизм переключения передач коробок передач 201
ЯМЗ ЯМЗ-238 ГМ 201.1702222 Рычаг Механизм переключения передач коробок передач 201 Чертеж Механизм переключения передач коробок передач 201
ЯМЗ ЯМЗ-238 ИМ 201.1702222 Рычаг Механизм переключения передач коробок передач 201 Чертеж Механизм переключения передач коробок передач 201
ЯМЗ ЯМЗ-238 НД 201.1702222 Рычаг Механизм переключения передач коробок передач 201 Чертеж Механизм переключения передач коробок передач 201
ЯМЗ ЯМЗ-238 Н 201.1702222 Рычаг Механизм переключения передач коробок передач 201
ЯМЗ ЯМЗ-238 Л 201.1702222 Рычаг Механизм переключения передач коробок передач 201
ЯМЗ ЯМЗ-238 ПМ и 238 ФМ 201.1702222 Рычаг Механизм переключения передач коробок передач 201
ЯМЗ Общий (см. мод-ции) 201.1702222 Рычаг Механизм переключения передач коробок передач 201
ЯМЗ ЯМЗ-8421.10 201.1702222 Рычаг Механизмы переключения передач
Аналоги
Рычаг 201-1702222 переключения передач МАЗ 201-1702222
Рычаг 201-1702222 переключения передач МАЗ
Каталожный номер 201-1702222
Производитель МАЗ МАЗ
Код 00-ГР012340
Доставка по всей Беларуси
Доступность остатки на филиалах Остатки на филиалах
Остаток Под заказ
Товары из этой категории
Кронштейн  МАЗ ОАО 6431-5301208-000
Кронштейн МАЗ ОАО
Каталожный номер 6431-5301208-000
Производитель
Код 64315301208000
Доставка по всей Беларуси
Остаток Под заказ
Кронштейн  МАЗ ОАО 5551-2804024
Кронштейн МАЗ ОАО
Каталожный номер 5551-2804024
Производитель
Код 55512804024
Доставка по всей Беларуси
Остаток Под заказ
Колпак  МАЗ ОАО 54321-3102008
Колпак МАЗ ОАО
Каталожный номер 54321-3102008
Производитель
Код 543213102008
Доставка по всей Беларуси
Остаток Под заказ
Переходник  МАЗ ОАО 4370-3502153
Переходник МАЗ ОАО
Каталожный номер 4370-3502153
Производитель
Код 43703502153
Доставка по всей Беларуси
Остаток Под заказ
Хомут  МАЗ ОАО 64221-3724631
Хомут МАЗ ОАО
Каталожный номер 64221-3724631
Производитель
Код 642213724631
Доставка по всей Беларуси
Остаток Под заказ