Республика Беларусь,
г. Минск, ул. Селицкого 21к - центральный склад
Пн-пт с 8:00 до 17:00
Меню
200220 Болт М6-6нх55 ОСТ 3700112275 МАЗ ОАО
Наименование: Болт М6-6нх55 ОСТ 3700112275 МАЗ ОАО
Каталожный номер: 200220
Код товара: 200220
Доставка: по всей Беларуси
Остаток: под заказ 1-45 дней

Нашли не точность в описании товара? сообщить администратору.

+375 (44) 770-80-78 +375 (29) 747-80-78
* Выставить счет, получить техническую информацию и стоимость
Заказать деталь Онлайн
Описание
Наличие на филиалах
Применяемость
Заменить на СТО

200220 Болт М6-6нх55 ОСТ 3700112275.

  • Производитель: МАЗ ОАО
  • Каталожный номер по заводу: 200220
  • Код для заказа:  200220
Марка Модель Кат.номер Наим. по каталогу Чертеж
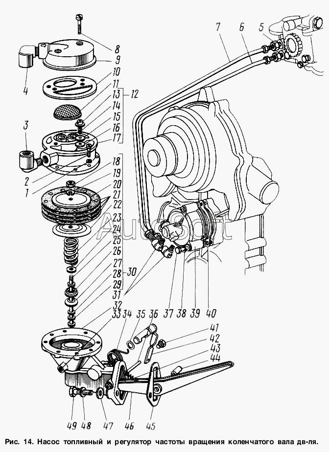
ГАЗ ГАЗ-3307 (2000) 200220-П29 Болт М6-6gх55 Насос топливный и регулятор частоты вращения коленчатого вала двигателя Чертеж Насос топливный и регулятор частоты вращения коленчатого вала двигателя
ГАЗ ГАЗ-66 (Каталог 1996 г.) (1996) 200220-П29 Болт М6-6gх55 Регулировка числа оборотов двигателя Чертеж Регулировка числа оборотов двигателя
МАЗ МАЗ-537 200220-П2 Болт Принципиальная схема вентиляции агрегатов Чертеж Принципиальная схема вентиляции агрегатов
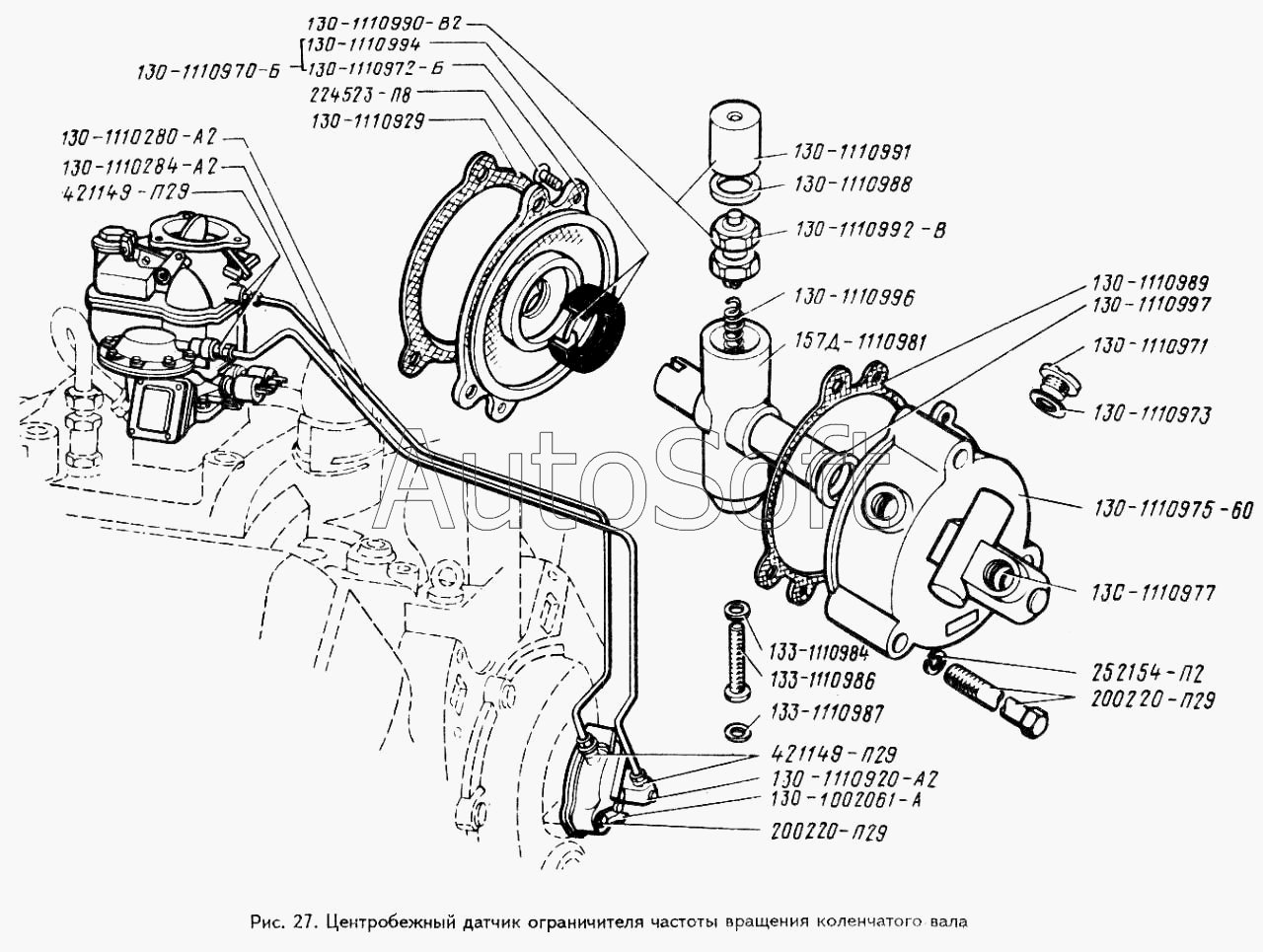
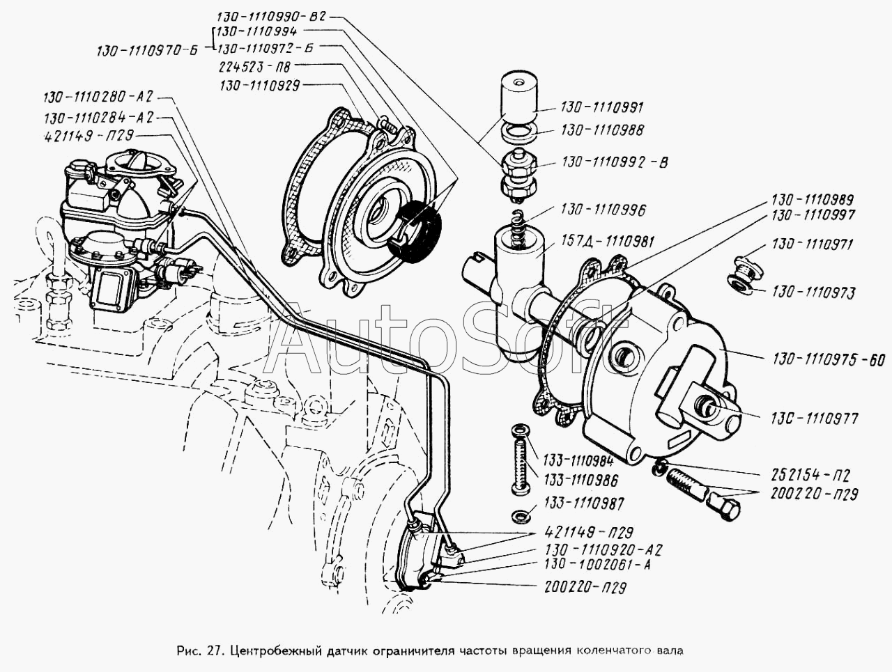
ЛАЗ ЛАЗ 695Н (1976) 200220-П8 Болт крепления центробежного датчика Центробежный датчик ограничителя оборотов коленчатого вала двигателя Чертеж Центробежный датчик ограничителя оборотов коленчатого вала двигателя
ЛАЗ ЛАЗ 699Р 200220-П8 Болт крепления центробежного датчика Регулятор частоты вращения двигателя Чертеж Регулятор частоты вращения двигателя
ЛиАЗ ЛиАЗ 677 200220-П8 Болт крепления центробежного датчика Центробежный датчик ограничителя числа оборотов коленчатого вала двигателя
ЗИЛ ЗИЛ-431410 Каталог 1989 г. (1989) 200220-П8 Болт Датчик центробежный ограничителя частоты Чертеж Датчик центробежный ограничителя частоты
ЗИЛ ЗИЛ-131 200220-П8 Болт Центробежный датчик ограничителя частоты вращения коленчатого вала двигателя
ЗИЛ ЗИЛ-433360 (1995) 200220-П29 Болт Блок цилиндров двигателя, масляный картер, крышки подшипников коленчатого вала, втулки распределительного вала, картер и крышки сцепления
ЗИЛ ЗИЛ-433360 (1995) 200220-П29 Болт Центробежный датчик ограничителя частоты вращения коленчатого вала
ЗИЛ ЗИЛ-442160 (1995) 200220-П29 Болт Блок цилиндров двигателя, масляный картер, крышки подшипников коленчатого вала, втулки распределительного вала, картер и крышки сцепления Чертеж Блок цилиндров двигателя, масляный картер, крышки подшипников коленчатого вала, втулки распределительного вала, картер и крышки сцепления
ЗИЛ ЗИЛ-442160 (1995) 200220-П29 Болт Центробежный датчик ограничителя частоты вращения коленчатого вала Чертеж Центробежный датчик ограничителя частоты вращения коленчатого вала
ЗИЛ ЗИЛ-494560 (1995) 200220-П29 Болт Блок цилиндров двигателя, масляный картер, крышки подшипников коленчатого вала, втулки распределительного вала, картер и крышки сцепления Чертеж Блок цилиндров двигателя, масляный картер, крышки подшипников коленчатого вала, втулки распределительного вала, картер и крышки сцепления
ЗИЛ ЗИЛ-494560 (1995) 200220-П29 Болт Центробежный датчик ограничителя частоты вращения коленчатого вала Чертеж Центробежный датчик ограничителя частоты вращения коленчатого вала
ЗИЛ ЗИЛ-5301 (2006) (2006) 200220 Болт с шестигранной головкой и направляющим подголовком (d=М6, S=10, H=4±0,24, L=55±0,95, L0=18) №1
УралАЗ УРАЛ-375 200220-П8 Болт М6х55 крепления центробежного датчика Центробежный датчик ограничителя оборотов коленчатого вала двигателя, топливопроводы карбюратора и топливного насоса (Рис. 29) Чертеж Центробежный датчик ограничителя оборотов коленчатого вала двигателя, топливопроводы карбюратора и топливного насоса (Рис. 29)
КАЗ КАЗ 608 200220-П8 Болт крепления центробежного датчика Центробежный датчик ограничителя числа оборотов коленчатого вала двигателя
ПАЗ ПАЗ-3205-110 (2005) 200220-П29 Болт М6х55 Ограничитель оборотов
ПАЗ ПАЗ-32053 (2004) 200220-П29 Болт М6х55 Пневмоцентробежный ограничитель оборотов Чертеж Пневмоцентробежный ограничитель оборотов
АМАЗ МАЗ-256 200220 Болт М6-6gх55 Установка крышки заднего багажного отделения 256000-5600020
Товары из этой категории
Рычаг регулировочный  ТАИМ,Бобруйск 54321-3502135
Рычаг регулировочный ТАИМ,Бобруйск
Каталожный номер 54321-3502135
Производитель
Код 543213502135
Доставка по всей Беларуси
Остаток Под заказ
Накладка  МАЗ ОАО 104-5409551
Накладка МАЗ ОАО
Каталожный номер 104-5409551
Производитель
Код 1045409551
Доставка по всей Беларуси
Остаток Под заказ
Корпус фиксатора, МАЗ ОАО 5336-1702246
Корпус фиксатора, МАЗ ОАО
Каталожный номер 5336-1702246
Производитель
Код 53361702246
Доставка по всей Беларуси
Остаток Под заказ
Подшипник  МАЗ ОАО, УВК 6-7517А
Подшипник МАЗ ОАО, УВК
Каталожный номер 6-7517А
Производитель
Код 67517А
Доставка по всей Беларуси
Остаток Под заказ
Пружина  МАЗ ОАО 8373-2707142
Пружина МАЗ ОАО
Каталожный номер 8373-2707142
Производитель
Код 83732707142
Доставка по всей Беларуси
Остаток Под заказ