Республика Беларусь,
г. Минск, ул. Селицкого 21к - центральный склад
Пн-пт с 8:00 до 17:00
Меню
045-048-19-2-2 Кольцо Беларусьрезинотехника
Наименование: Кольцо 045-048-19-2-2 Беларусьрезинотехника
Каталожный номер: 045-048-19-2-2
Производитель: БРТИ
Код товара: 5019
Доставка: по всей Беларуси
Остаток: в наличии

Нашли не точность в описании товара? сообщить администратору.

+375 (44) 770-80-78 +375 (29) 747-80-78
* Выставить счет, получить техническую информацию и стоимость
Заказать деталь Онлайн
Описание
Наличие на филиалах
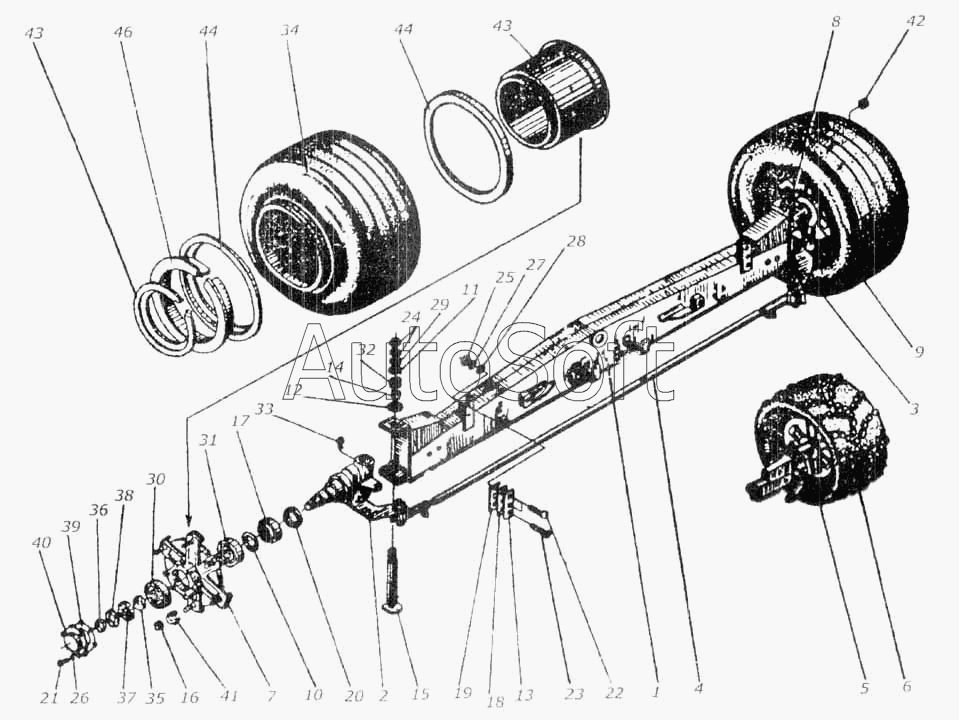
Применяемость
Заменить на СТО

Ширина, м: 0.02
Высота, м: 0.001
Длина, м: 0.02
Вес, кг: 0.001

Код для заказа: 5019

Марка Модель Кат.номер Наим. по каталогу Чертеж
МАЗ МАЗ-437040 (Зубренок) (2002) 045-048-19-2-3 Кольцо Балка передней оси Чертеж Балка передней оси
МАЗ МАЗ-437130 (Зубренок) (2008) 045-048-19-2-3 Кольцо Передняя ось 4370-3000015 Чертеж Передняя ось 4370-3000015
МАЗ МАЗ-437040 (Зубренок) (2005) 045-048-19-2-2 Кольцо Ось передняя 4370-3000015 (лист 2) Чертеж Ось передняя 4370-3000015 (лист 2)
МАЗ МАЗ-437041 (Зубренок) (2010) 045-048-19-2-2 Кольцо Передняя ось 4570-3000015-010 Чертеж Передняя ось 4570-3000015-010
МАЗ МАЗ-437030 (Зубренок) (2004) 045-048-19-2-2 Кольцо Передняя ось 4370-3000015 Чертеж Передняя ось 4370-3000015
Гомсельмаш КСК-100А (2002) 105.081.01.011 Кольцо 045-048-19-2-2 Мост управляемых колес КИЛ 0109000 Чертеж Мост управляемых колес КИЛ 0109000
Гомсельмаш КСК-600 (2007) 105.081.01.011 Кольцо 045-048-19-2-2 Мост управляемых колес КГС 0109000 Чертеж Мост управляемых колес КГС 0109000
Гомсельмаш КЗР-10 (2007) 105.081.01.011 Кольцо 045-048-19-2-2 Шасси (КЗР0201000Б) Чертеж Шасси (КЗР0201000Б)
Гомсельмаш КСК-100А-3 (2005) 105.081.01.011 Кольцо 045-048-19-2-2 КИЛ 0109000 Мост управляемых колес Чертеж КИЛ 0109000 Мост управляемых колес
АМАЗ МАЗ-256 045-048-19-2-2 Кольцо Балка передней оси с поворотными кулаками 4370-3001037 Чертеж Балка передней оси с поворотными кулаками 4370-3001037
АМАЗ МАЗ-256 (вариант) (2006) 045-048-19-2-2 Кольцо Балка передней оси с поворотными кулаками Чертеж Балка передней оси с поворотными кулаками
АМАЗ МАЗ-103 (2011) (2011) 045-048-19-2-3 Кольцо Механизм рулевой 64229-3401005-01
АМАЗ МАЗ-104 (2011) (2011) 045-048-19-2-3 Кольцо Механизм рулевой 64229-3401005-01
АМАЗ МАЗ-105 (2011) (2011) 045-048-19-2-3 Кольцо Механизм рулевой 64229-3401005-01
АМАЗ МАЗ-107 (2011) (2011) 045-048-19-2-3 Кольцо Механизм рулевой 64229-3401005-01
АМАЗ МАЗ-152 (2011) (2011) 045-048-19-2-3 Кольцо Механизм рулевой 64229-3401005-01
АМАЗ МАЗ-152 (2011) (2011) 045-048-25-2-3 Кольцо Тормозной механизм ведущего моста (левый)
УАЗ УАЗ-31512 (2002) 045-048-19-2-3 Кольцо уплотнительное Управление рулевое в сборе и управление рулевое Чертеж Управление рулевое в сборе и управление рулевое
ТМЗ КПП ТМЗ-09.130 (2011) 14.160.1702510 Кольцо 045-048-19-2-1 Механизм управления переключением передач Чертеж Механизм управления переключением передач
ТМЗ КПП ТМЗ-14.180 (2011) 14.160.1702510 Кольцо 045-048-19-2-1 Механизм управления переключением передач Чертеж Механизм управления переключением передач
Склад Адрес Контакт Остатки
г. Минск ул. Селицкого, 21к +375 (44) 770-80-78 ( Много )
Схема проезда
г. Бобруйск ул. Орловского, 22к3 +375 (29) 345-37-07 ( Много )
Схема проезда
г. Дрогичин ул. Юбилейная, 42 +375 (29) 682-17-13 ( Средне )
Схема проезда
г. Мозырь промузел Козенки +375 (44) 731-94-60 ( Много )
Схема проезда
г. Осиповичи ул. Короткая, 11 +375 (29) 165-60-07 ( Средне )
Схема проезда
г. Ошмяны ул. Льнозоводская 3 +375 (44) 770-80-91 ( Много )
Схема проезда
г. Пружаны ул. Макаренко, 21 +375 (29) 348-83-18 ( Средне )
Схема проезда
г. Сморгонь ул. Железнодорожная, 32 +375 (29) 671-02-10 ( Средне )
Схема проезда
г. Щучин ул. Советская, 39 +375 (29) 177-29-70 ( Средне )
Схема проезда
г. Барановичи ул. Бадака, 27Б +375 (29) 350-33-47 Под заказ
Схема проезда
г. Барановичи ул. Пролетарская, 40 +375 (29) 795-96-37 Под заказ
Схема проезда
г. Берёза ул. Красноармейская, 89/11 +375 (29) 676-70-71 Под заказ
Схема проезда
г. Березино ул. Комсомольская, д. 24 +375 (44) 770-80-17 Под заказ
Схема проезда
г. Бобруйск ул. Гоголя, 181/1-6 +375 (29) 630-05-01 Под заказ
Схема проезда
г. Борисов ул. Демина, 2а +375 (44) 560-99-75 Под заказ
Схема проезда
г. Брест Тельминский с/с, 1Д/1, 1 км южнее д. Тельмы-2 +375 (44) 599-90-75 Под заказ
Схема проезда
г. Витебск ул. Правды, 33 +375 (44) 770-80-87 Под заказ
Схема проезда
г. Витебск ул. Петруся Бровки, 34 +375 (29) 636-25-08 Под заказ
Схема проезда
г. Глубокое ул. Энгельса, 22 +375 (44) 505-71-40 Под заказ
Схема проезда
г. Гомель ул. Барыкина, 291Б +375 (44) 514-15-30 Под заказ
Схема проезда
г. Гомель ул. Текстильная, 10 +375 (44) 540-02-05 Под заказ
Схема проезда
г. Горки ул.Мира, д.51а/1 +375 (44) 565-33-61 Под заказ
Схема проезда
г. Гродно ул. Карского, 35 +375 (44) 770-70-21 Под заказ
Схема проезда
г. Дятлово ул. Советская ,104 +375 (29) 187-87-37 Под заказ
Схема проезда
г. Житковичи ул. Комсомольская, 49 +375 (29) 394-82-52 Под заказ
Схема проезда
г. Жлобин ул. Козлова, 25 +375 (29) 346-06-78 Под заказ
Схема проезда
г. Ивацевичи ул. Загородная, 6А +375 (29) 188-59-01 Под заказ
Схема проезда
г. Кобрин ул. Пролетарская, 177А +375 (44) 588-10-80 Под заказ
Схема проезда
г. Кричев ул. Комсомольская, 126 +375 (29) 628-88-42 Под заказ
Схема проезда
г. Лельчицы ул. Советская, д.96/1 +375 (29) 346-98-96 Под заказ
Схема проезда
г. Лепель ул. Лобанка, 43 +375 (44) 778-65-21 Под заказ
Схема проезда
г. Лида ул. Качана, 7 +375 (29) 612-60-61 Под заказ
Схема проезда
г. Лунинец ул.Красная, 175а +375 (44) 721-46-74 Под заказ
Схема проезда
г. Минск ул. Бабушкина, 37 +375 (29) 632-00-82 Под заказ
Схема проезда
г. Могилев ул. Габровская 11Б +375 (29) 662-02-16 Под заказ
Схема проезда
г. Молодечно ул. Галицкого, 14 +375 (44) 567-28-47 Под заказ
Схема проезда
г. Несвиж ул. Кутузова, 2 +375 (29) 394-82-48 Под заказ
Схема проезда
г. Новогрудок ул. Индустриальная, 3 +375 (44) 729-39-19 Под заказ
Схема проезда
г. Орша ул. Сергея Кирова, д. 34 +375 (44) 583-91-42 Под заказ
Схема проезда
г. Петриков ул. Первомайская, 124 +375 (33) 660-06-75 Под заказ
Схема проезда
г. Пинск ул. Калиновского 32 +375 (44) 560-99-59 Под заказ
Схема проезда
г. Полоцк ул. Пролетарская, 6 +375 (29) 644-57-58 Под заказ
Схема проезда
г. Полоцк ул. Строительная, 30Б +375 (29) 302-97-91 Под заказ
Схема проезда
г. Полоцк-2 ул. Шенягина, 52 +375 (29) 302-94-73 Под заказ
Схема проезда
г. Поставы ул. Советская, 69 +375 (44) 770-80-13 Под заказ
Схема проезда
г. Слоним ул. Советская, 93а +375 (29) 394-82-01 Под заказ
Схема проезда
г. Слуцк ул. Тутаринова, 8 +375 (29) 346-06-90 Под заказ
Схема проезда
г. Солигорск Чижевичский сельсовет, 3Г +375 (29) 899-58-52 Под заказ
Схема проезда
г. Столин ул. Быковского, 29 +375 (33) 304-54-36 Под заказ
Схема проезда
Товары из этой категории
Кольцо уплотнительное 122-130-46-2-2
Кольцо уплотнительное
Каталожный номер 122-130-46-2-2
Производитель БРТ БРТ
Код 995
Доставка по всей Беларуси
Доступность остатки на филиалах Остатки на филиалах
Остаток: г.Минск, ул.Селицкого 21к В наличии
Склад Адрес Контакт Остатки
г. Минск ул. Селицкого, 21к +375 (44) 770-80-78 ( Много )
Схема проезда
г. Барановичи ул. Бадака, 27Б +375 (29) 350-33-47 ( Средне )
Схема проезда
г. Березино ул. Комсомольская, д. 24 +375 (44) 770-80-17 ( Средне )
Схема проезда
г. Берёза ул. Красноармейская, 89/11 +375 (29) 676-70-71 ( Средне )
Схема проезда
г. Борисов ул. Демина, 2а +375 (44) 560-99-75 ( Много )
Схема проезда
г. Витебск ул. Правды, 33 +375 (44) 770-80-87 ( Много )
Схема проезда
г. Гомель ул. Барыкина, 291Б +375 (44) 514-15-30 ( Средне )
Схема проезда
г. Горки ул.Мира, д.51а/1 +375 (44) 565-33-61 ( Средне )
Схема проезда
г. Дрогичин ул. Юбилейная, 42 +375 (29) 682-17-13 ( Средне )
Схема проезда
г. Житковичи ул. Комсомольская, 49 +375 (29) 394-82-52 ( Мало )
Схема проезда
г. Ивацевичи ул. Загородная, 6А +375 (29) 188-59-01 ( Средне )
Схема проезда
г. Мозырь промузел Козенки +375 (44) 731-94-60 ( Средне )
Схема проезда
г. Молодечно ул. Галицкого, 14 +375 (44) 567-28-47 ( Средне )
Схема проезда
г. Полоцк-2 ул. Шенягина, 52 +375 (29) 302-94-73 ( Средне )
Схема проезда
г. Пружаны ул. Макаренко, 21 +375 (29) 348-83-18 ( Много )
Схема проезда
г. Слоним ул. Советская, 93а +375 (29) 394-82-01 ( Много )
Схема проезда
г. Сморгонь ул. Железнодорожная, 32 +375 (29) 671-02-10 ( Средне )
Схема проезда
г. Солигорск Чижевичский сельсовет, 3Г +375 (29) 899-58-52 ( Мало )
Схема проезда
Кольцо уплотнительное 028-033-30-2-2
Кольцо уплотнительное
Каталожный номер 028-033-30-2-2
Производитель БРТ БРТ
Код 00-ГР002201
Доставка по всей Беларуси
Доступность остатки на филиалах Остатки на филиалах
Остаток Под заказ
Кольцо 085-090-25-2-2 Беларусьрезинотехника 085-090-25-2-2
Кольцо 085-090-25-2-2 Беларусьрезинотехника
Каталожный номер 085-090-25-2-2
Производитель Беларусьрезинотехника Беларусьрезинотехника
Код 00-ГР032006
Доставка по всей Беларуси
Доступность остатки на филиалах Остатки на филиалах
Остаток: г.Минск, ул.Селицкого 21к В наличии
Склад Адрес Контакт Остатки
г. Минск ул. Селицкого, 21к +375 (44) 770-80-78 ( Много )
Схема проезда
г. Бобруйск ул. Орловского, 22к3 +375 (29) 345-37-07 ( Много )
Схема проезда
г. Дрогичин ул. Юбилейная, 42 +375 (29) 682-17-13 ( Средне )
Схема проезда
г. Осиповичи ул. Короткая, 11 +375 (29) 165-60-07 ( Средне )
Схема проезда
Кольцо 250-260-58-2-2 (силикон синий) ГА 250-260-58-2-3
Кольцо 250-260-58-2-2 (силикон синий) ГА
Каталожный номер 250-260-58-2-3
Производитель ГарантАвто ГарантАвто
Код 00-ГР020745
Доставка по всей Беларуси
Доступность остатки на филиалах Остатки на филиалах
Остаток: г.Минск, ул.Селицкого 21к В наличии
Склад Адрес Контакт Остатки
г. Минск ул. Селицкого, 21к +375 (44) 770-80-78 ( Много )
Схема проезда
г. Барановичи ул. Пролетарская, 40 +375 (29) 795-96-37 ( Средне )
Схема проезда
г. Барановичи ул. Бадака, 27Б +375 (29) 350-33-47 ( Средне )
Схема проезда
г. Березино ул. Комсомольская, д. 24 +375 (44) 770-80-17 ( Средне )
Схема проезда
г. Берёза ул. Красноармейская, 89/11 +375 (29) 676-70-71 ( Много )
Схема проезда
г. Бобруйск ул. Гоголя, 181/1-6 +375 (29) 630-05-01 ( Много )
Схема проезда
г. Бобруйск ул. Орловского, 22к3 +375 (29) 345-37-07 ( Много )
Схема проезда
г. Витебск ул. Петруся Бровки, 34 +375 (29) 636-25-08 ( Много )
Схема проезда
г. Глубокое ул. Энгельса, 22 +375 (44) 505-71-40 ( Много )
Схема проезда
г. Гомель ул. Барыкина, 291Б +375 (44) 514-15-30 ( Много )
Схема проезда
г. Дрогичин ул. Юбилейная, 42 +375 (29) 682-17-13 ( Много )
Схема проезда
г. Дятлово ул. Советская ,104 +375 (29) 187-87-37 ( Средне )
Схема проезда
г. Ивацевичи ул. Загородная, 6А +375 (29) 188-59-01 ( Много )
Схема проезда
г. Кобрин ул. Пролетарская, 177А +375 (44) 588-10-80 ( Много )
Схема проезда
г. Лельчицы ул. Советская, д.96/1 +375 (29) 346-98-96 ( Много )
Схема проезда
г. Могилев ул. Габровская 11Б +375 (29) 662-02-16 ( Много )
Схема проезда
г. Мозырь промузел Козенки +375 (44) 731-94-60 ( Много )
Схема проезда
г. Молодечно ул. Галицкого, 14 +375 (44) 567-28-47 ( Много )
Схема проезда
г. Новогрудок ул. Индустриальная, 3 +375 (44) 729-39-19 ( Средне )
Схема проезда
г. Орша ул. Сергея Кирова, д. 34 +375 (44) 583-91-42 ( Средне )
Схема проезда
г. Осиповичи ул. Короткая, 11 +375 (29) 165-60-07 ( Средне )
Схема проезда
г. Петриков ул. Первомайская, 124 +375 (33) 660-06-75 ( Много )
Схема проезда
г. Пинск ул. Калиновского 32 +375 (44) 560-99-59 ( Много )
Схема проезда
г. Полоцк-2 ул. Шенягина, 52 +375 (29) 302-94-73 ( Средне )
Схема проезда
г. Полоцк-2 ул. Шенягина, 52 +375 (29) 302-94-73 ( Много )
Схема проезда
г. Полоцк-2 ул. Шенягина, 52 +375 (29) 302-94-73 ( Много )
Схема проезда
г. Слоним ул. Советская, 93а +375 (29) 394-82-01 ( Средне )
Схема проезда
г. Щучин ул. Советская, 39 +375 (29) 177-29-70 ( Много )
Схема проезда
Кольцо уплотнительное 032-038-36-2-2
Кольцо уплотнительное
Каталожный номер 032-038-36-2-2
Производитель Беларусьрезинотехника Беларусьрезинотехника
Код 7788
Доставка по всей Беларуси
Доступность остатки на филиалах Остатки на филиалах
Остаток: г.Минск, ул.Селицкого 21к В наличии
Склад Адрес Контакт Остатки
г. Минск ул. Селицкого, 21к +375 (44) 770-80-78 ( Много )
Схема проезда
г. Барановичи ул. Пролетарская, 40 +375 (29) 795-96-37 ( Много )
Схема проезда
г. Барановичи ул. Бадака, 27Б +375 (29) 350-33-47 ( Много )
Схема проезда
г. Березино ул. Комсомольская, д. 24 +375 (44) 770-80-17 ( Средне )
Схема проезда
г. Бобруйск ул. Гоголя, 181/1-6 +375 (29) 630-05-01 ( Много )
Схема проезда
г. Бобруйск ул. Орловского, 22к3 +375 (29) 345-37-07 ( Много )
Схема проезда
г. Борисов ул. Демина, 2а +375 (44) 560-99-75 ( Много )
Схема проезда
г. Брест Тельминский с/с, 1Д/1, 1 км южнее д. Тельмы-2 +375 (44) 599-90-75 ( Много )
Схема проезда
г. Витебск ул. Правды, 33 +375 (44) 770-80-87 ( Много )
Схема проезда
г. Глубокое ул. Энгельса, 22 +375 (44) 505-71-40 ( Много )
Схема проезда
г. Гомель ул. Барыкина, 291Б +375 (44) 514-15-30 ( Средне )
Схема проезда
г. Горки ул.Мира, д.51а/1 +375 (44) 565-33-61 ( Много )
Схема проезда
г. Гродно ул. Карского, 35 +375 (44) 770-70-21 ( Много )
Схема проезда
г. Дрогичин ул. Юбилейная, 42 +375 (29) 682-17-13 ( Средне )
Схема проезда
г. Дятлово ул. Советская ,104 +375 (29) 187-87-37 ( Много )
Схема проезда
г. Житковичи ул. Комсомольская, 49 +375 (29) 394-82-52 ( Средне )
Схема проезда
г. Ивацевичи ул. Загородная, 6А +375 (29) 188-59-01 ( Много )
Схема проезда
г. Кобрин ул. Пролетарская, 177А +375 (44) 588-10-80 ( Много )
Схема проезда
г. Кричев ул. Комсомольская, 126 +375 (29) 628-88-42 ( Много )
Схема проезда
г. Лельчицы ул. Советская, д.96/1 +375 (29) 346-98-96 ( Много )
Схема проезда
г. Лепель ул. Лобанка, 43 +375 (44) 778-65-21 ( Много )
Схема проезда
г. Лунинец ул.Красная, 175а +375 (44) 721-46-74 ( Много )
Схема проезда
г. Могилев ул. Габровская 11Б +375 (29) 662-02-16 ( Много )
Схема проезда
г. Мозырь промузел Козенки +375 (44) 731-94-60 ( Много )
Схема проезда
г. Молодечно ул. Галицкого, 14 +375 (44) 567-28-47 ( Много )
Схема проезда
г. Несвиж ул. Кутузова, 2 +375 (29) 394-82-48 ( Средне )
Схема проезда
г. Осиповичи ул. Короткая, 11 +375 (29) 165-60-07 ( Много )
Схема проезда
г. Ошмяны ул. Льнозоводская 3 +375 (44) 770-80-91 ( Много )
Схема проезда
г. Пинск ул. Калиновского 32 +375 (44) 560-99-59 ( Много )
Схема проезда
г. Полоцк-2 ул. Шенягина, 52 +375 (29) 302-94-73 ( Много )
Схема проезда
г. Поставы ул. Советская, 69 +375 (44) 770-80-13 ( Много )
Схема проезда
г. Пружаны ул. Макаренко, 21 +375 (29) 348-83-18 ( Много )
Схема проезда
г. Слоним ул. Советская, 93а +375 (29) 394-82-01 ( Много )
Схема проезда
г. Слуцк ул. Тутаринова, 8 +375 (29) 346-06-90 ( Много )
Схема проезда
г. Сморгонь ул. Железнодорожная, 32 +375 (29) 671-02-10 ( Много )
Схема проезда
г. Солигорск Чижевичский сельсовет, 3Г +375 (29) 899-58-52 ( Много )
Схема проезда
г. Столин ул. Быковского, 29 +375 (33) 304-54-36 ( Много )
Схема проезда
г. Щучин ул. Советская, 39 +375 (29) 177-29-70 ( Много )
Схема проезда