Республика Беларусь,
г. Минск, ул. Селицкого 21к - центральный склад
Пн-пт с 8:00 до 17:00
Меню
013-017-25-2-3 Кольцо Беларусьрезинотехника
Наименование: Кольцо 013-017-25-2-3 Беларусьрезинотехника
Каталожный номер: 013-017-25-2-3
Производитель: Беларусьрезинотехника
Код товара: 00-ГР002200
Доставка: по всей Беларуси
Остаток: под заказ

Нашли не точность в описании товара? сообщить администратору.

+375 (44) 770-80-78 +375 (29) 747-80-78
* Выставить счет, получить техническую информацию и стоимость
Заказать деталь Онлайн
Описание
Наличие на филиалах
Применяемость
Заменить на СТО

Кольцо 013-017-25-2-2, группа: 13 — Охлаждение МТЗ  , 013-017-25-2-2.

  • Каталожный номер: 013-017-25-2-2
  • Код товара  для заказа:  00-ГР002200
Марка Модель Кат.номер Наим. по каталогу Чертеж
МАЗ МАЗ-437040 (Зубренок) (2002) 013-017-25 Кольцо Установка электрооборудования на шасси Чертеж Установка электрооборудования на шасси
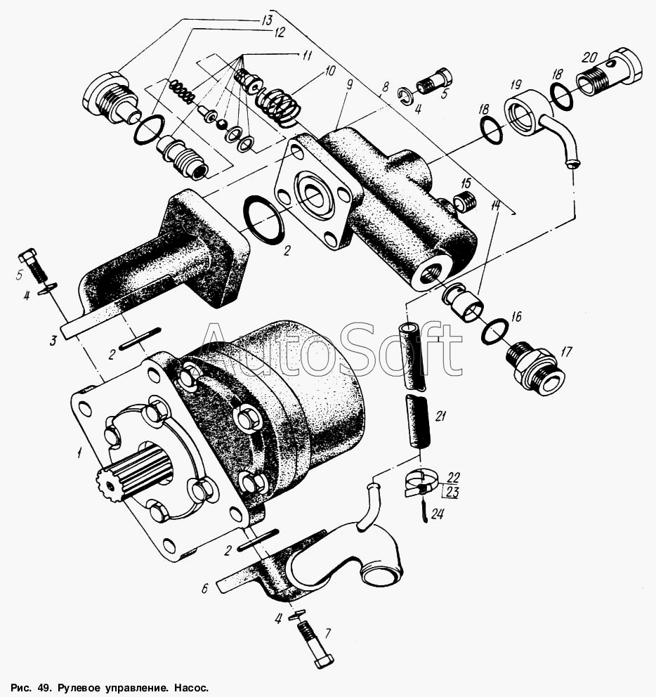
МАЗ МАЗ-53363 013-017-25-2-3 Кольцо уплотнительное Установка рулевого управления Чертеж Установка рулевого управления
МАЗ МАЗ-53366 013-017-25-2-3 Кольцо уплотнительное Установка рулевого управления Чертеж Установка рулевого управления
МАЗ МАЗ-5337 013-017-25-2-3 Кольцо уплотнительное Установка рулевого управления Чертеж Установка рулевого управления
МАЗ МАЗ-53371 013-017-25-2-3 Кольцо уплотнительное Установка рулевого управления Чертеж Установка рулевого управления
МАЗ МАЗ-54321 013-017-25-2-3 Кольцо уплотнительное Рулевое управление. Насос
МАЗ МАЗ-54323 013-017-25-2-3 Кольцо уплотнительное Установка рулевого управления Чертеж Установка рулевого управления
МАЗ МАЗ-54328 013-017-25-2-3 Кольцо уплотнительное Установка рулевого управления и передней подвески Чертеж Установка рулевого управления и передней подвески
МАЗ МАЗ-5433 013-017-25-2-3 Кольцо уплотнительное Установка рулевого управления и передней подвески
МАЗ МАЗ-5434 013-017-25-2-3 Кольцо уплотнительное Коробка раздаточная. Вал привода переднего моста
МАЗ МАЗ-5434 013-017-25-2-3 Кольцо уплотнительное Коробка раздаточная. Механизм включения нейтрали Чертеж Коробка раздаточная. Механизм включения нейтрали
МАЗ МАЗ-5434 013-017-25-2-3 Кольцо уплотнительное Установка рулевого управления Чертеж Установка рулевого управления
МАЗ МАЗ-5434 013-017-25-2-3 Кольцо уплотнительное Коробка отбора мощности Чертеж Коробка отбора мощности
МАЗ МАЗ-5516 013-017-25-2-3 Кольцо уплотнительное Установка рулевого управления Чертеж Установка рулевого управления
МАЗ МАЗ-5551 013-017-25-2-3 Кольцо уплотнительное Установка рулевого управления Чертеж Установка рулевого управления
МАЗ МАЗ-6303 (2000) 013-017-25-2-3 Кольцо уплотнительное Установка рулевого управления
МАЗ МАЗ-6317 013-017-25-2-3 Кольцо уплотнительное Механизм включения нейтрали
МАЗ МАЗ-6317 013-017-25-2-3 Кольцо уплотнительное Вал привода переднего моста Чертеж Вал привода переднего моста
МАЗ МАЗ-6317 013-017-25-2-3 Кольцо уплотнительное Рулевое управление. Насос Чертеж Рулевое управление. Насос
МАЗ МАЗ-6317 013-017-25-2-3 Кольцо уплотнительное Коробка отбора мощности Чертеж Коробка отбора мощности
Аналоги
Кольцо 013-017-25-2-3 БСИ 013-017-25-2-3
Кольцо 013-017-25-2-3 БСИ
Каталожный номер 013-017-25-2-3
Производитель БСИ БСИ
Код 00-ГР039186
Доставка по всей Беларуси
Доступность остатки на филиалах Остатки на филиалах
Остаток: г.Минск, ул.Селицкого 21к В наличии
Склад Адрес Контакт Остатки
г. Минск ул. Селицкого, 21к +375 (44) 770-80-78 ( Много )
Схема проезда
г. Осиповичи ул. Короткая, 11 +375 (29) 165-60-07 ( Много )
Схема проезда
Кольцо  МАЗ ОАО, УВК 013-017-25-2-3
Кольцо МАЗ ОАО, УВК
Каталожный номер 013-017-25-2-3
Производитель
Код 130172523
Доставка по всей Беларуси
Остаток Под заказ
Товары из этой категории
Шланг 142-1303010 ( L215/190, d54, угол 90) (Силикон) 142-1303010
Шланг 142-1303010 ( L215/190, d54, угол 90) (Силикон)
Каталожный номер 142-1303010
Производитель РФ РФ
Код 00-ГР017514
Доставка по всей Беларуси
Доступность остатки на филиалах Остатки на филиалах
Остаток В наличии
Склад Адрес Контакт Остатки
г. Кричев ул. Комсомольская, 126 +375 (29) 628-88-42 ( Мало )
Схема проезда
Патрубок 50-1306028 термостата (L100х100, d20) СИЛИКОН 50-1306028
Патрубок 50-1306028 термостата (L100х100, d20) СИЛИКОН
Каталожный номер 50-1306028
Производитель Моторист Моторист
Код 00-ГР010647
Доставка по всей Беларуси
Доступность остатки на филиалах Остатки на филиалах
Остаток: г.Минск, ул.Селицкого 21к В наличии
Склад Адрес Контакт Остатки
г. Минск ул. Селицкого, 21к +375 (44) 770-80-78 ( Много )
Схема проезда
г. Барановичи ул. Пролетарская, 40 +375 (29) 795-96-37 ( Мало )
Схема проезда
г. Бобруйск ул. Гоголя, 181/1-6 +375 (29) 630-05-01 ( Средне )
Схема проезда
г. Бобруйск ул. Орловского, 22к3 +375 (29) 345-37-07 ( Средне )
Схема проезда
г. Борисов ул. Демина, 2а +375 (44) 560-99-75 ( Средне )
Схема проезда
г. Брест Тельминский с/с, 1Д/1, 1 км южнее д. Тельмы-2 +375 (44) 599-90-75 ( Средне )
Схема проезда
г. Витебск ул. Правды, 33 +375 (44) 770-80-87 ( Средне )
Схема проезда
г. Витебск ул. Петруся Бровки, 34 +375 (29) 636-25-08 ( Средне )
Схема проезда
г. Глубокое ул. Энгельса, 22 +375 (44) 505-71-40 ( Средне )
Схема проезда
г. Гомель ул. Барыкина, 291Б +375 (44) 514-15-30 ( Средне )
Схема проезда
г. Гродно ул. Карского, 35 +375 (44) 770-70-21 ( Средне )
Схема проезда
г. Дрогичин ул. Юбилейная, 42 +375 (29) 682-17-13 ( Средне )
Схема проезда
г. Кобрин ул. Пролетарская, 177А +375 (44) 588-10-80 ( Мало )
Схема проезда
г. Кричев ул. Комсомольская, 126 +375 (29) 628-88-42 ( Средне )
Схема проезда
г. Могилев ул. Габровская 11Б +375 (29) 662-02-16 ( Мало )
Схема проезда
г. Молодечно ул. Галицкого, 14 +375 (44) 567-28-47 ( Средне )
Схема проезда
г. Несвиж ул. Кутузова, 2 +375 (29) 394-82-48 ( Средне )
Схема проезда
г. Новогрудок ул. Индустриальная, 3 +375 (44) 729-39-19 ( Мало )
Схема проезда
г. Осиповичи ул. Короткая, 11 +375 (29) 165-60-07 ( Средне )
Схема проезда
г. Ошмяны ул. Льнозоводская 3 +375 (44) 770-80-91 ( Средне )
Схема проезда
г. Петриков ул. Первомайская, 124 +375 (33) 660-06-75 ( Мало )
Схема проезда
г. Пинск ул. Калиновского 32 +375 (44) 560-99-59 ( Средне )
Схема проезда
г. Полоцк-2 ул. Шенягина, 52 +375 (29) 302-94-73 ( Средне )
Схема проезда
г. Полоцк-2 ул. Шенягина, 52 +375 (29) 302-94-73 ( Средне )
Схема проезда
г. Поставы ул. Советская, 69 +375 (44) 770-80-13 ( Средне )
Схема проезда
г. Слоним ул. Советская, 93а +375 (29) 394-82-01 ( Средне )
Схема проезда
г. Слуцк ул. Тутаринова, 8 +375 (29) 346-06-90 ( Мало )
Схема проезда
г. Столин ул. Быковского, 29 +375 (33) 304-54-36 ( Мало )
Схема проезда
Патрубок силиконовый 245Е4-1307301 ЕВРО-4 245Е4-1307301
Патрубок силиконовый 245Е4-1307301 ЕВРО-4
Каталожный номер 245Е4-1307301
Производитель Моторист Моторист
Код 00-ГР031279
Доставка по всей Беларуси
Доступность остатки на филиалах Остатки на филиалах
Остаток: г.Минск, ул.Селицкого 21к В наличии
Склад Адрес Контакт Остатки
г. Минск ул. Селицкого, 21к +375 (44) 770-80-78 ( Средне )
Схема проезда
г. Бобруйск ул. Орловского, 22к3 +375 (29) 345-37-07 ( Мало )
Схема проезда
г. Борисов ул. Демина, 2а +375 (44) 560-99-75 ( Мало )
Схема проезда
г. Гродно ул. Карского, 35 +375 (44) 770-70-21 ( Мало )
Схема проезда
г. Дятлово ул. Советская ,104 +375 (29) 187-87-37 ( Мало )
Схема проезда
г. Ивацевичи ул. Загородная, 6А +375 (29) 188-59-01 ( Мало )
Схема проезда
г. Лельчицы ул. Советская, д.96/1 +375 (29) 346-98-96 ( Мало )
Схема проезда
г. Новогрудок ул. Индустриальная, 3 +375 (44) 729-39-19 ( Мало )
Схема проезда
г. Ошмяны ул. Льнозоводская 3 +375 (44) 770-80-91 ( Мало )
Схема проезда
г. Солигорск Чижевичский сельсовет, 3Г +375 (29) 899-58-52 ( Мало )
Схема проезда
Прокладка 50-1306026 корпуса термостата АРС 50-1306026
Прокладка 50-1306026 корпуса термостата АРС
Каталожный номер 50-1306026
Производитель ГБЦ ГБЦ
Код 00-ГР026130
Доставка по всей Беларуси
Доступность остатки на филиалах Остатки на филиалах
Остаток: г.Минск, ул.Селицкого 21к В наличии
Склад Адрес Контакт Остатки
г. Минск ул. Селицкого, 21к +375 (44) 770-80-78 ( Много )
Схема проезда
г. Бобруйск ул. Орловского, 22к3 +375 (29) 345-37-07 ( Средне )
Схема проезда
г. Брест Тельминский с/с, 1Д/1, 1 км южнее д. Тельмы-2 +375 (44) 599-90-75 ( Средне )
Схема проезда
г. Глубокое ул. Энгельса, 22 +375 (44) 505-71-40 ( Средне )
Схема проезда
г. Дрогичин ул. Юбилейная, 42 +375 (29) 682-17-13 ( Средне )
Схема проезда
г. Дятлово ул. Советская ,104 +375 (29) 187-87-37 ( Средне )
Схема проезда
г. Осиповичи ул. Короткая, 11 +375 (29) 165-60-07 ( Средне )
Схема проезда
Шланг патрубок радиатора верхний L-210×160мм 142-1303010
Шланг патрубок радиатора верхний L-210×160мм
Каталожный номер 142-1303010
Производитель ZJA ZJA
Код 19940
Доставка по всей Беларуси
Доступность остатки на филиалах Остатки на филиалах
Остаток: г.Минск, ул.Селицкого 21к В наличии
Склад Адрес Контакт Остатки
г. Минск ул. Селицкого, 21к +375 (44) 770-80-78 ( Много )
Схема проезда
г. Бобруйск ул. Орловского, 22к3 +375 (29) 345-37-07 ( Средне )
Схема проезда
г. Витебск ул. Правды, 33 +375 (44) 770-80-87 ( Мало )
Схема проезда
г. Глубокое ул. Энгельса, 22 +375 (44) 505-71-40 ( Средне )
Схема проезда
г. Горки ул.Мира, д.51а/1 +375 (44) 565-33-61 ( Мало )
Схема проезда
г. Жлобин ул. Козлова, 25 +375 (29) 346-06-78 ( Средне )
Схема проезда
г. Ивацевичи ул. Загородная, 6А +375 (29) 188-59-01 ( Средне )
Схема проезда
г. Кричев ул. Комсомольская, 126 +375 (29) 628-88-42 ( Средне )
Схема проезда
г. Лельчицы ул. Советская, д.96/1 +375 (29) 346-98-96 ( Средне )
Схема проезда
г. Молодечно ул. Галицкого, 14 +375 (44) 567-28-47 ( Мало )
Схема проезда
г. Осиповичи ул. Короткая, 11 +375 (29) 165-60-07 ( Средне )
Схема проезда
г. Полоцк-2 ул. Шенягина, 52 +375 (29) 302-94-73 ( Средне )
Схема проезда
г. Поставы ул. Советская, 69 +375 (44) 770-80-13 ( Средне )
Схема проезда
г. Пружаны ул. Макаренко, 21 +375 (29) 348-83-18 ( Мало )
Схема проезда
г. Слоним ул. Советская, 93а +375 (29) 394-82-01 ( Мало )
Схема проезда
г. Сморгонь ул. Железнодорожная, 32 +375 (29) 671-02-10 ( Средне )
Схема проезда
г. Столин ул. Быковского, 29 +375 (33) 304-54-36 ( Средне )
Схема проезда
г. Щучин ул. Советская, 39 +375 (29) 177-29-70 ( Мало )
Схема проезда